Запчасти Komatsu PC650-1 ПАНЕЛЬ ПРИБОРОВ (/) (KT)(№7-) КОМПОНЕНТЫ ДВИГАТЕЛЯ И ЭЛЕКТРИКА

Схема запчастей Komatsu PC650-1 - ПАНЕЛЬ ПРИБОРОВ (/) (KT)(№7-) КОМПОНЕНТЫ ДВИГАТЕЛЯ И ЭЛЕКТРИКА
FIT
1:1
100%

Артикул

Название

Примечание

Количество

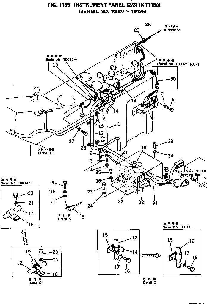
1

07822-00405

TUBE

2

07832-00410

NUT

3

07831-00411

SLEEVE

4

07836-00410

CONNECTOR

5

209-06-11353

RESISTOR

6

01010-50612

BOLT

7

01602-20619

WASHER

8

205-06-51290

CONDENSER

9

01010-50612

BOLT

10

01602-20619

WASHER

11

01643-30623

WASHER

12

209-06-11623

WIRING HARNESS

12

209-06-11622

WIRING HARNESS

13

209-06-21290

WIRING HARNESS

14

08036-02514

CLIP

14

08034-00519

BAND

15

08036-03014

CLIP

15

175-07-23570

CLIP

16

01010-51016

BOLT

17

01643-31032

WASHER

18

08036-03014

CLIP

18

175-07-23570

CLIP

19

08034-00519

BAND

20

01010-51220

BOLT

21

01643-31232

WASHER

22

209-06-12120

COVER

23

01010-51225

BOLT

24

01643-31232

WASHER

25

08036-11214

CLIP

26

01010-51016

BOLT

27

01643-31032

WASHER

28

21T-06-16260

CABLE

29

08037-01008

GROMMET

30

209-06-21270

WIRING HARNESS

31

209-06-12380

WIRING HARNESS

32

209-06-12390

RELAY ASS'Y

33

01220-40416

SCREW

34

01641-40405

WASHER

35

01220-40408

SCREW

36

01641-40405

WASHER

Выбрано товаров: 0