Запчасти Komatsu PC650-1 P.O.C. ТРУБЫ (ДЛЯ США)(№9-) ОПЦИОННЫЕ КОМПОНЕНТЫ

Схема запчастей Komatsu PC650-1 - P.O.C. ТРУБЫ (ДЛЯ США)(№9-) ОПЦИОННЫЕ КОМПОНЕНТЫ
FIT
1:1
100%

Артикул

Название

Примечание

Количество

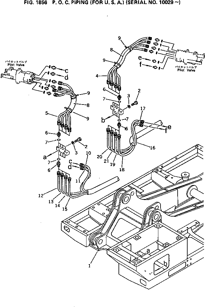
1

209-46-12140

FRAME,REVOLVING

1

01572-21019

SEAT (WELDED)

2

01010-51070

BOLT

3

01643-31032

WASHER

4

07102-20206

HOSE

5

07102-20208

HOSE

6

07230-10210

UNION

7

07002-01423

O-RING

8

205-62-53780

COVER

9

08034-00823

BAND

|$10

209-62-37110

HOSE ASS'Y

10

07102-20332

HOSE,(RED)

11

07102-20334

HOSE

12

07102-20223

HOSE,(BROWN)

13

07102-20228

HOSE,(GREEN)

14

07102-20220

HOSE,(WHITE)

15

07102-20223

HOSE,(YELLOW)

|$17

209-62-37120

HOSE ASS'Y

16

07102-20330

HOSE,(RED)

17

07102-20332

HOSE

18

07102-20237

HOSE,(YELLOW)

19

07102-20231

HOSE,(WHITE)

20

07102-20224

HOSE,(GREEN)

21

07102-20220

HOSE,(BROWN)

Выбрано товаров: 0