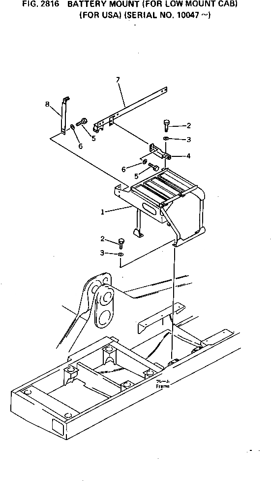
Запчасти Komatsu PC650-1 КРЕПЛЕНИЯ АККУМУЛЯТОРА (ДЛЯ НИЖН. КРЕПЛЕНИЕ КАБИНА) (ДЛЯ США)(№7-) ОПЦИОННЫЕ КОМПОНЕНТЫ (СПЕЦ. APPLICATION ЧАСТИ)

Схема запчастей Komatsu PC650-1 - КРЕПЛЕНИЯ АККУМУЛЯТОРА (ДЛЯ НИЖН. КРЕПЛЕНИЕ КАБИНА) (ДЛЯ США)(№7-) ОПЦИОННЫЕ КОМПОНЕНТЫ (СПЕЦ. APPLICATION ЧАСТИ)
FIT
1:1
100%

Артикул

Название

Примечание

Количество

1

209-06-25170

FRAME

2

01010-51230

BOLT

3

01643-31232

WASHER

4

209-06-25180

BRACKET

5

01010-51230

BOLT

6

01643-31232

WASHER

7

209-06-25210

BRACKET

8

209-06-25190

BRACKET

Выбрано товаров: 8