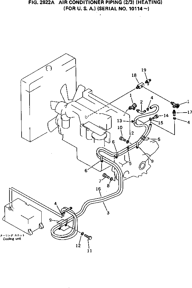
Запчасти Komatsu PC650-1 ТРУБКИ КОНДИЦИОНЕРА (/) (ОБОГРЕВ.) (ДЛЯ США)(№-) ОПЦИОННЫЕ КОМПОНЕНТЫ (СПЕЦ. APPLICATION ЧАСТИ)

Схема запчастей Komatsu PC650-1 - ТРУБКИ КОНДИЦИОНЕРА (/) (ОБОГРЕВ.) (ДЛЯ США)(№-) ОПЦИОННЫЕ КОМПОНЕНТЫ (СПЕЦ. APPLICATION ЧАСТИ)
FIT
1:1
100%

Артикул

Название

Примечание

Количество

1

195-911-5591

VALVE

2

175-911-4340

JOINT

3

09483-16800

HOSE

4

07281-00419

CLAMP

5

08034-00536

BAND

6

195-911-4350

CLIP

7

01010-51235

BOLT

8

01643-31232

WASHER

9

195-911-4350

CLIP

10

01010-51220

BOLT

11

01010-51225

BOLT

12

01643-31232

WASHER

13

113-899-7950

CLIP

14

01010-51220

BOLT

15

01643-31232

WASHER

16

09483-16750

HOSE

17

21T-988-1630

JOINT

18

209-979-1190

TEE

19

6127-61-8411

VALVE ASS'Y

Выбрано товаров: 19