Запчасти Komatsu PC650-1 КОНДЕНСАТОР БЛОК (С КОНДИЦИОНЕРОМ) (ДЛЯ США)(№7-) ОПЦИОННЫЕ КОМПОНЕНТЫ (СПЕЦ. APPLICATION ЧАСТИ)

Схема запчастей Komatsu PC650-1 - КОНДЕНСАТОР БЛОК (С КОНДИЦИОНЕРОМ) (ДЛЯ США)(№7-) ОПЦИОННЫЕ КОМПОНЕНТЫ (СПЕЦ. APPLICATION ЧАСТИ)
FIT
1:1
100%

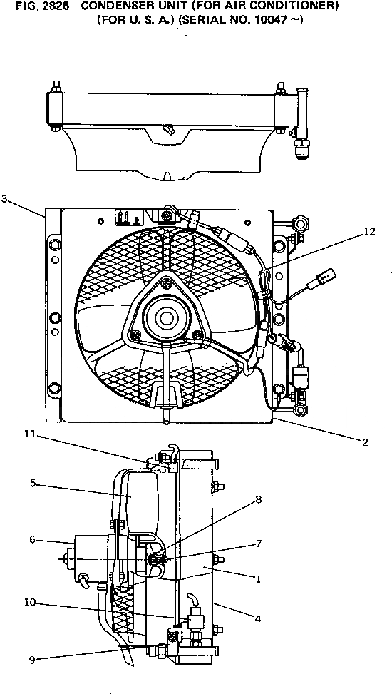
Артикул

Название

Примечание

Количество

|$0

205-979-6150

CONDENSER ASS'Y

1

205-979-7550

CORE

2

205-979-7560

SHROUD

3

205-979-7570

BRACKET

4

205-979-7580

BRACKET

5

205-979-7590

FAN

6

205-979-7600

MOTOR ASS'Y

7

205-979-7610

NUT

8

205-979-7620

WASHER

9

205-979-7630

CLAMP

10

205-979-7640

SWITCH

11

205-979-7650

RESISTOR

12

205-979-7660

HARNESS ASS'Y

Выбрано товаров: 13