Запчасти Komatsu PC650-1 ПЕРЕДН. ЛЕНИВЕЦ(№7-7) ХОДОВАЯ

Схема запчастей Komatsu PC650-1 - ПЕРЕДН. ЛЕНИВЕЦ(№7-7) ХОДОВАЯ
FIT
1:1
100%

Артикул

Название

Примечание

Количество

|$0

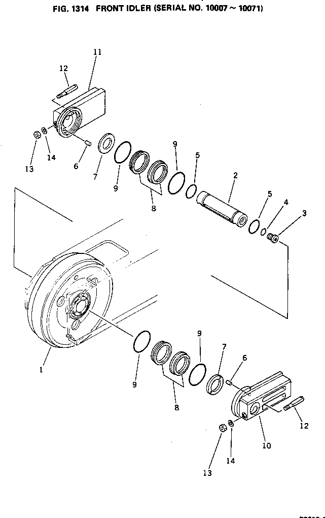
209-30-00013

FRONT IDLER ASS'Y

|$1

209-30-00012

IDLER ASS'Y

1

209-30-14102

IDLER

2

209-30-14130

SHAFT

3

07040-14220

PLUG

4

07002-04234

O-RING

5

07000-05100

O-RING

6

04020-00616

PIN

7

209-30-14150

SPACER

|$9

207-27-00010

FLOATING SEAL ASS'Y

8

207-27-00020

SEAL RING ASS'Y

8

RING

9

110-27-00220

O-RING ASS'Y

9

O-RING

10

209-30-14163

SUPPORT,L.H.

11

209-30-14173

SUPPORT,R.H.

12

21T-30-13170

BOLT

13

01580-12218

NUT

14

01643-32260

WASHER

Выбрано товаров: 19