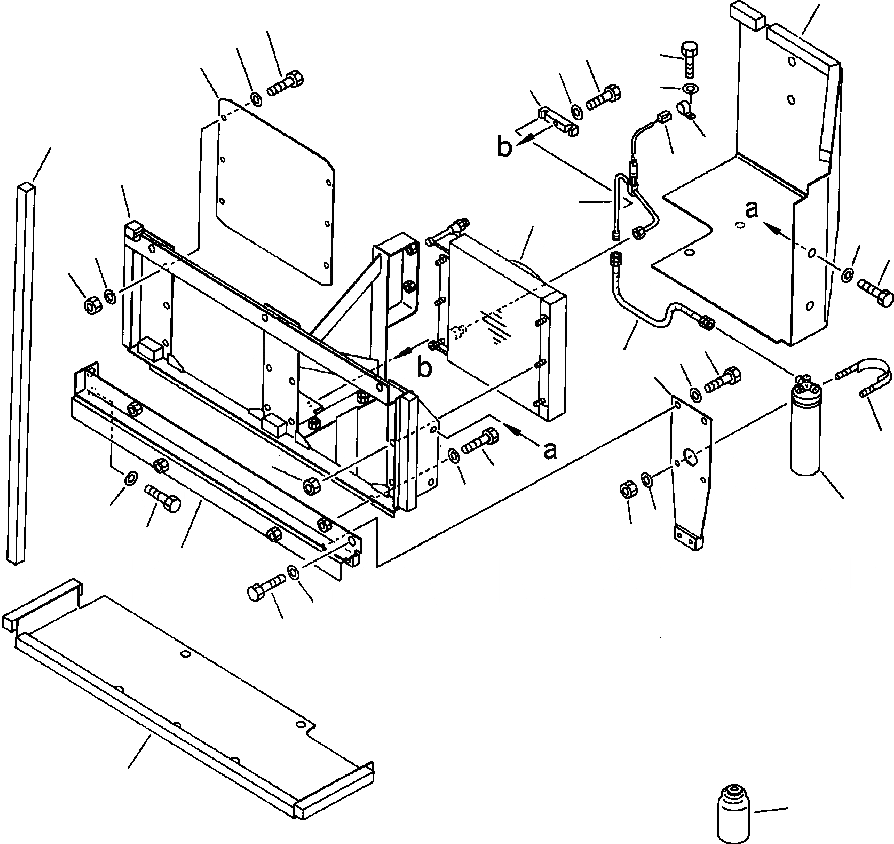
Запчасти Komatsu PC650-3 & PC650LC-3 КОНДИЦ. ВОЗДУХА КРЕПЛЕНИЕ КОНДЕНСАТОРА ЧАСТИ КОРПУСА

Схема запчастей Komatsu PC650-3 & PC650LC-3 - КОНДИЦ. ВОЗДУХА КРЕПЛЕНИЕ КОНДЕНСАТОРА ЧАСТИ КОРПУСА
25
29
30
9
12
28
10
8
13
32
11
7
22
6
1
27
26
30
31
16
17
34
15
18
1
23
24
14
5
19
20
4
2
5
3
33
21
FIT
1:1
100%

Артикул

Название

Примечание

Количество

2

209-979-5222

FRAME

3

01010-51225

BOLT

4

01010-51235

BOLT

5

01643-31232

WASHER

6

209-979-5242

TUBE

7

205-979-7750

SWITCH

8

21T-979-7550

CLAMP

9

01010-51040

BOLT

10

01643-31032

WASHER

11

195-06-41170

CLIP

12

01010-51220

BOLT

13

01643-31232

WASHER

14

198-911-4610

TANK

15

209-979-5231

BRACKET

16

01010-51225

BOLT

17

01643-31232

WASHER

18

205-979-1230

CLIP

19

01643-31032

WASHER

20

01599-01011

NUT

21

202-981-1370

DRUM

22

209-979-5320

BRACKET

23

01010-51225

BOLT

24

01643-31232

WASHER

25

209-979-5330

COVER

26

01010-51225

BOLT

27

01643-31232

WASHER

28

209-979-5340

COVER

29

01010-50820

BOLT

30

01643-30823

WASHER

31

01580-10806

NUT

32

209-979-5290

SEAL

33

209-979-5280

COVER

34

09488-50507

HOSE

Выбрано товаров: 33