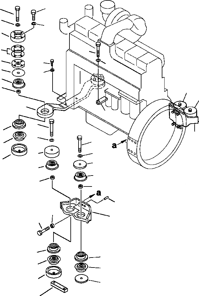
Запчасти Komatsu PC650-3 & PC650LC-3 КРЕПЛЕНИЕ ДВИГАТЕЛЯ КОМПОНЕНТЫ ДВИГАТЕЛЯ & ЭЛЕКТРИКА

Схема запчастей Komatsu PC650-3 & PC650LC-3 - КРЕПЛЕНИЕ ДВИГАТЕЛЯ КОМПОНЕНТЫ ДВИГАТЕЛЯ & ЭЛЕКТРИКА
9
12
13
10
5
8
12
7
29
13
6
30
3
4
21
22
28
11
26
2
14
27
26
3
27
22
1
21
19
19
20
20
15
17
14
16
18
18
19
19
23
24
25
FIT
1:1
100%

Артикул

Название

Примечание

Количество

1

209-01-51320

STOPPER

2

21T-01-11210

COLLAR

3

21T-01-11150

CUSHION

4

21T-01-11220

COLLAR

5

209-01-51190

STOPPER

6

209-01-51210

SPACER

7

209-01-51220

PLATE

8

209-01-00020

SHIM ASSEMBLY

|$8

NSS

SHIM - 0.5MM

|$9

NSS

SHIM - 1.0MM

9

01010-51235

BOLT

10

01643-31232

WASHER

11

207-01-14120

PLATE

12

209-09-51160

BOLT

13

01643-32460

WASHER

14

209-01-51111

BRACKET, REAR

15

04020-01842

PIN, DOWEL

16

01010-52070

BOLT

17

01643-32060

WASHER

18

21T-01-11210

COLLAR

19

21T-01-11150

CUSHION

20

21T-01-11220

COLLAR

21

21T-01-11180

WASHER

22

209-01-51490

STOPPER

23

209-01-51320

STOPPER

24

209-01-51330

SPACER

25

21T-01-11230

PLATE

26

209-09-51160

BOLT

27

01643-32460

WASHER

28

209-01-51310

PLATE

29

01010-51845

BOLT

30

01643-31845

WASHER

Выбрано товаров: 32