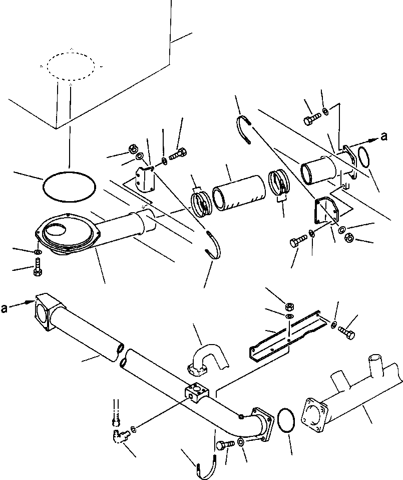
Запчасти Komatsu PC650-3 & PC650LC-3 ИЗ БАКА В НАСОС ТРУБЫ УПРАВЛ-Е РАБОЧИМ ОБОРУДОВАНИЕМ

Схема запчастей Komatsu PC650-3 & PC650LC-3 - ИЗ БАКА В НАСОС ТРУБЫ УПРАВЛ-Е РАБОЧИМ ОБОРУДОВАНИЕМ
29
10
14
9
12
13
7
11
5
15
16
6
1
8
16
6
15
4
11
13
3
12
25
2
14
23
26
22
28
21
17
27
24
18
30
20
19
FIT
1:1
100%

Артикул

Название

Примечание

Количество

1

07000-05230

O-RING

2

209-62-55111

TUBE

3

01010-51235

BOLT

4

01643-31232

WASHER

5

209-62-55140

HOSE

6

209-62-55290

CLAMP

7

209-62-55150

TUBE

8

07000-02115

O-RING

9

01010-51240

BOLT

10

01643-31232

WASHER

11

209-62-55130

BRACKET

12

01010-51230

BOLT

13

01643-31232

WASHER

14

07283-21193

CLIP

15

01599-01214

NUT

16

01643-31232

WASHER

17

209-62-55191

TUBE

18

07000-02115

O-RING

19

01010-51240

BOLT

20

01643-31232

WASHER

21

209-62-55230

BRACKET

22

01010-51230

BOLT

23

01643-31232

WASHER

24

07283-21193

CLIP

25

01599-01214

NUT

26

01643-31232

WASHER

Выбрано товаров: 26