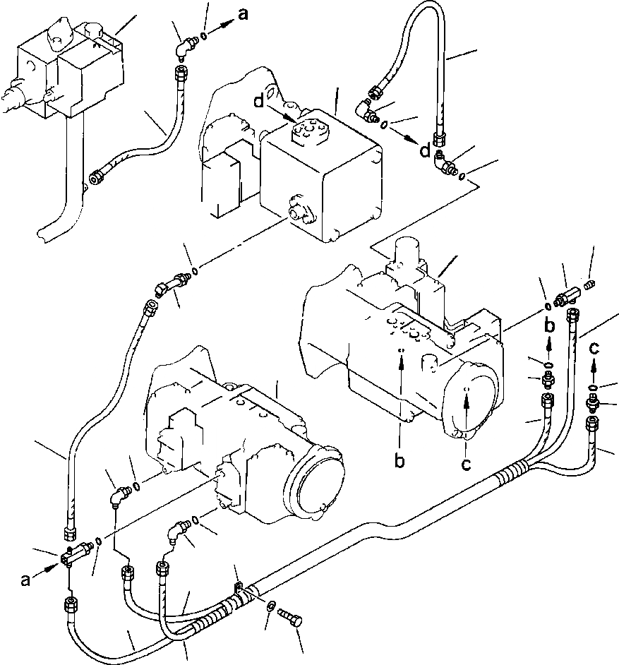
Запчасти Komatsu PC650-3 & PC650LC-3 НАСОС - БЕЗОПАСН. ЛИНИЯ ЗАКРЫВАЮЩЕГО КЛАПАНА УПРАВЛ-Е РАБОЧИМ ОБОРУДОВАНИЕМ

Схема запчастей Komatsu PC650-3 & PC650LC-3 - НАСОС - БЕЗОПАСН. ЛИНИЯ ЗАКРЫВАЮЩЕГО КЛАПАНА УПРАВЛ-Е РАБОЧИМ ОБОРУДОВАНИЕМ
3
26
2
21
27
22
1
23
24
25
8
19
28
18
20
9
7
14
29
13
14
13
10
6
14
11
12
14
4
12
15
5
10
9
17
16
11
FIT
1:1
100%

Артикул

Название

Примечание

Количество

1

07102-20307

HOSE

2

07235-10315

ELBOW

3

07002-02034

O-RING

4

209-62-57720

TEE

5

07002-02034

O-RING

6

07102-20307

HOSE

7

208-62-33160

ELBOW

8

07002-02434

O-RING

|$8

209-62-57940

HOSE ASSEMBLY

9

07102-20315

HOSE

10

07102-20215

HOSE (V)

11

07102-20215

HOSE (W)

12

07235-10210

ELBOW

13

07230-10210

UNION

14

07002-01423

O-RING

15

208-06-19170

CLIP

16

01010-51220

BOLT

17

01643-31232

WASHER

18

209-62-57730

TEE

19

07043-30211

PLUG

20

07002-02034

O-RING

21

07082-20210

HOSE

22

07235-10210

ELBOW

23

07002-11423

O-RING

24

07235-10210

ELBOW

25

07002-11423

O-RING

Выбрано товаров: 26