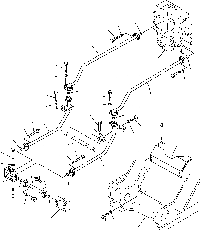
Запчасти Komatsu PC650-3 & PC650LC-3 ЦИЛИНДР СТРЕЛЫТРУБЫ ШАССИ УПРАВЛ-Е РАБОЧИМ ОБОРУДОВАНИЕМ

Схема запчастей Komatsu PC650-3 & PC650LC-3 - ЦИЛИНДР СТРЕЛЫТРУБЫ ШАССИ УПРАВЛ-Е РАБОЧИМ ОБОРУДОВАНИЕМ
3
5
4
1
30
4
3
5
5
4
3
22
4
2
5
23
22
3
9
6
23
10
19
21
20
8
18
24
29
9
12
10
13
7
16
14
17
11
8
15
17
15
16
28
26
25
27
FIT
1:1
100%

Артикул

Название

Примечание

Количество

1

209-62-52251

TUBE

2

209-62-52261

TUBE

3

21T-09-11510

O-RING

4

01010-51455

BOLT

5

01643-31445

WASHER

6

209-62-52420

TUBE

7

209-62-52430

TUBE

8

21T-09-11510

O-RING

9

01010-51455

BOLT

10

01643-31445

WASHER

11

209-62-52281

BLOCK

12

01011-51245

BOLT

13

01643-31232

WASHER

14

209-62-52291

TUBE

15

21T-09-11470

O-RING

16

07372-21040

BOLT

17

01643-51032

WASHER

18

176-61-41330

CLAMP

19

01010-51250

BOLT

20

01643-31232

WASHER

21

209-62-52440

CLAMP

22

01010-51255

BOLT

23

175-54-34170

WASHER

24

205-62-52481

BRACKET

25

01010-51245

BOLT

26

01643-31232

WASHER

Выбрано товаров: 26