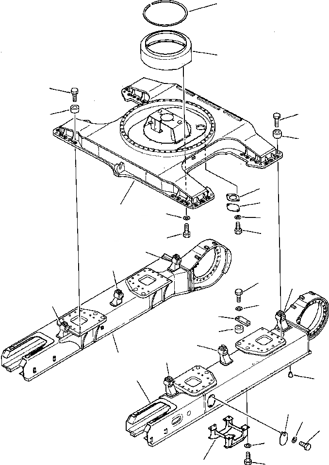
Запчасти Komatsu PC650-3 & PC650LC-3 ГУСЕНИЧНАЯ РАМА PCLC- ХОД И НИЖН.CARRIAGE

Схема запчастей Komatsu PC650-3 & PC650LC-3 - ГУСЕНИЧНАЯ РАМА PCLC- ХОД И НИЖН.CARRIAGE
5
2
19
19
18
18
7
6
1
4
9
8
3
11
11
22
11
11
23
21
20
11
10
11
10
24
12
14
13
16
15
17
FIT
1:1
100%

Артикул

Название

Примечание

Количество

1

209-30-52512

FRAME, TRACK

2

209-30-11362

COVER

3

01010-51230

BOLT

4

01643-31232

WASHER

5

209-30-11341

SEAL

6

205-30-71181

COVER

7

205-30-71191

GASKET

8

01010-51225

BOLT

9

01643-31232

WASHER

10

209-30-52540

FRAME - L.H

|$10

209-30-52550

FRAME - R.H

11

209-30-51150

SUPPORT

12

209-30-11220

PLATE

13

01010-51225

BOLT

14

01643-31232

WASHER

15

209-30-11188

GUARD

16

208-30-11380

SPACER

17

01010-82495

BOLT

18

209-30-11330

SPACER

19

209-09-51110

BOLT

20

209-30-11320

COLLAR

21

209-30-51140

PLATE

22

209-09-11310

BOLT

23

01643-33690

WASHER

24

07049-02430

PLUG - WITHOUT FINAL GUARD

Выбрано товаров: 25