Запчасти Komatsu PC650-3 & PC650LC-3 СЪЕМ ПРОТИВОВЕСА ТРУБЫ УПРАВЛЯЮЩ. КЛАПАН - ЦИЛИНДР СИСТЕМА УПРАВЛЕНИЯ И ОСНОВНАЯ РАМА

Схема запчастей Komatsu PC650-3 & PC650LC-3 - СЪЕМ ПРОТИВОВЕСА ТРУБЫ УПРАВЛЯЮЩ. КЛАПАН - ЦИЛИНДР СИСТЕМА УПРАВЛЕНИЯ И ОСНОВНАЯ РАМА
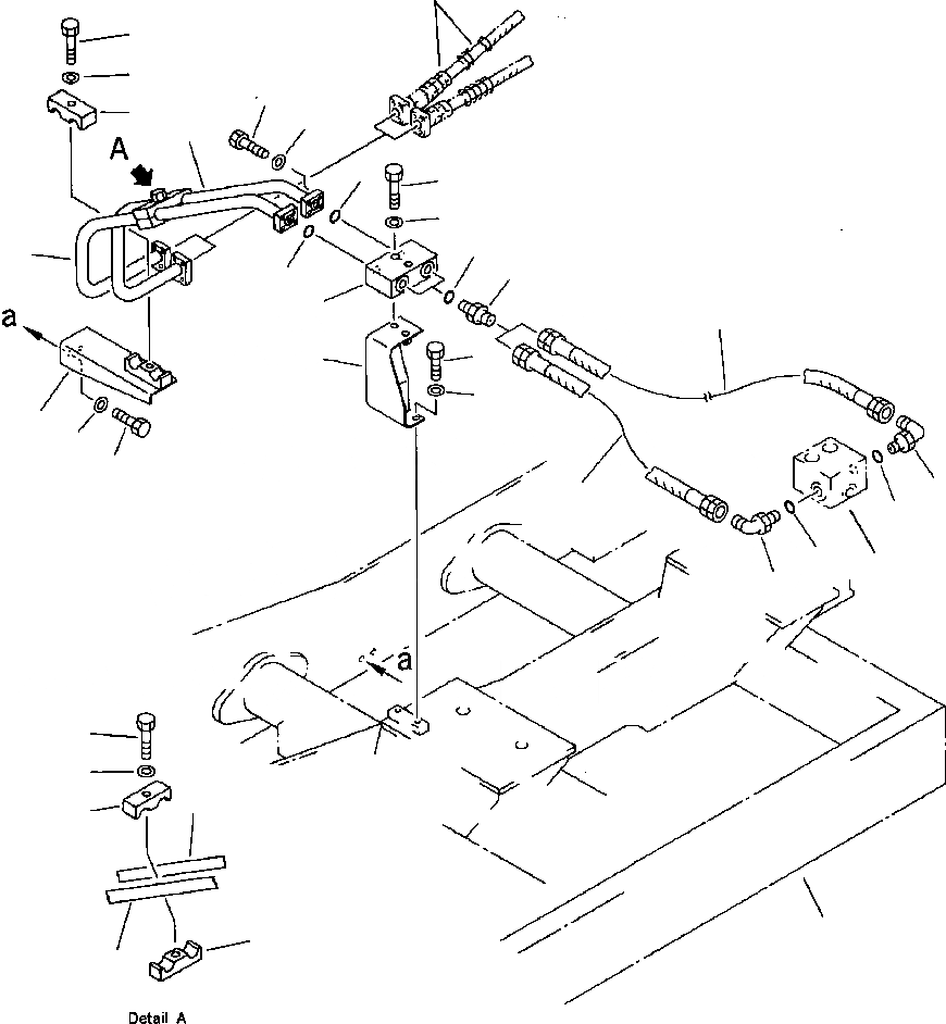
24
20
15
17
16
14
12
7
8
5
13
4
12
6
3
10
9
11
21
23
2
3
1
25
2
19
20
14
17
26
18
13
22
1
19
FIT
1:1
100%

Артикул

Название

Примечание

Количество

1

07002-12034

O-RING

2

07235-10315

ELBOW

3

07096-00307

HOSE

4

07230-20315

UNION

5

07002-12034

O-RING

6

209-62-52640

BLOCK

7

01010-51265

BOLT

8

01643-31232

WASHER

9

209-62-52630

BRACKET

10

01010-51225

BOLT

11

01643-31232

WASHER

12

07000-13030

O-RING

13

209-62-52570

TUBE

14

209-62-52580

TUBE

15

01010-50830

BOLT

16

01643-30823

WASHER

17

209-62-17350

CLAMP

18

209-62-17260

SEAT

19

01010-51255

BOLT

20

01643-31232

WASHER

21

209-62-52650

BRACKET

22

01010-51225

BOLT

23

01643-31232

WASHER

Выбрано товаров: 23