Запчасти Komatsu PC650-3 ПАНЕЛЬ ПРИБОРОВ (/) (ДЛЯ ЭКСКАВАТ.) (ДЛЯ ЯПОН.) КОМПОНЕНТЫ ДВИГАТЕЛЯ И ЭЛЕКТРИКА

Схема запчастей Komatsu PC650-3 - ПАНЕЛЬ ПРИБОРОВ (/) (ДЛЯ ЭКСКАВАТ.) (ДЛЯ ЯПОН.) КОМПОНЕНТЫ ДВИГАТЕЛЯ И ЭЛЕКТРИКА
FIT
1:1
100%

Артикул

Название

Примечание

Количество

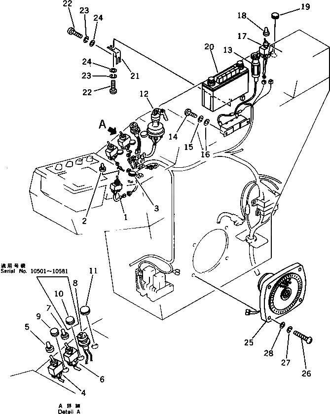
1

209-06-51330

SWITCH ASS'Y

2

203-06-41610

CAP

3

09415-01610

CAP

4

207-06-31240

WIRING HARNESS

5

203-06-41610

CAP

6

209-06-51690

SWITCH ASS'Y

7

203-06-41680

CAP

8

205-06-64540

LAMP,CAUTION

9

09415-00706

CAP

10

09415-00706

CAP

11

09415-01610

CAP

12

209-06-51430

SWITCH ASS'Y

13

195-822-6151

LIGHTER

14

01220-40408

SCREW

15

01601-20410

WASHER,SPRING

16

01641-20405

WASHER

G-1

209-43-X1000

AUTO DECELERATION G.

17

207-06-31240

WIRING HARNESS

18

203-06-41610

CAP

19

09415-00706

CAP

G-2

209-06-X1100

RADIO GROUP,AM

20

205-06-72510

RADIO ASS'Y

21

207-06-31170

BRACKET

22

01220-40512

SCREW

23

01601-20513

WASHER,SPRING

24

01642-20508

WASHER

25

20G-06-15120

SPEAKER

26

01220-40420

SCREW

27

01601-20410

WASHER,SPRING

28

01641-20405

WASHER

Выбрано товаров: 30