Запчасти Komatsu PC650-3 ПАНЕЛЬ ПРИБОРОВ (/) (ДЛЯ ПОГРУЗ.) (ДЛЯ ЯПОН.) КОМПОНЕНТЫ ДВИГАТЕЛЯ И ЭЛЕКТРИКА

Схема запчастей Komatsu PC650-3 - ПАНЕЛЬ ПРИБОРОВ (/) (ДЛЯ ПОГРУЗ.) (ДЛЯ ЯПОН.) КОМПОНЕНТЫ ДВИГАТЕЛЯ И ЭЛЕКТРИКА
FIT
1:1
100%

Артикул

Название

Примечание

Количество

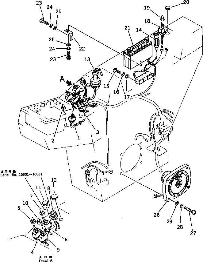
1

209-06-51330

SWITCH ASS'Y

2

203-06-41610

CAP

3

09415-01610

CAP

4

207-06-31240

WIRING HARNESS

5

203-06-41610

CAP

6

209-06-51690

SWITCH ASS'Y

7

203-06-41680

CAP

8

205-06-64540

LAMP,CAUTION

G-1

209-06-X3000

AUTO COMPENSATION G.,(FOR 2-POSITION)

G-1

209-06-X4000

AUTO COMPENSATION G.,(FOR 3-POSITION)

9

209-06-51670

WIRING HARNESS,(FOR 2-POSITION)

|9

209-06-51680

WIRING HARNESS,(FOR 3-POSITION)

10

203-06-41610

CAP

11

09415-00706

CAP

12

09415-01610

CAP

13

209-06-51430

SWITCH ASS'Y

14

195-822-6151

LIGHTER

15

01220-40408

SCREW

16

01601-20410

WASHER,SPRING

17

01641-20405

WASHER

G-2

209-43-X1000

AUTO DECELERATION G.

18

207-06-31240

WIRING HARNESS

19

203-06-41610

CAP

20

09415-00706

CAP

G-3

209-06-X1100

RADIO GROUP

21

205-06-72510

RADIO ASS'Y

22

207-06-31170

BRACKET

23

01220-40512

SCREW

24

01601-20513

WASHER,SPRING

25

01642-20508

WASHER

26

20G-06-15120

SPEAKER

27

01220-40420

SCREW

28

01601-20410

WASHER,SPRING

29

01641-20405

WASHER

Выбрано товаров: 34