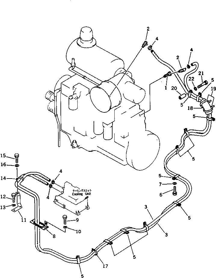
Запчасти Komatsu PC650-3 КОНДИЦ. ВОЗДУХА И ТРУБЫ (/)(№8-) ЧАСТИ КОРПУСА

Схема запчастей Komatsu PC650-3 - КОНДИЦ. ВОЗДУХА И ТРУБЫ (/)(№8-) ЧАСТИ КОРПУСА
FIT
1:1
100%

Артикул

Название

Примечание

Количество

G-1

209-979-X100

AIR CONDITIONER G.

1

09482-20000

VALVE

2

202-981-1340

JOINT

3

09483-00476

HOSE

4

09480-10100

CLAMP

|4

07281-00259

CLAMP

5

141-06-11220

CLIP

|5

141-06-11220

CLIP

6

01010-51225

BOLT

7

01643-31232

WASHER

8

21N-979-1120

PLATE

9

01010-51025

BOLT

10

01643-31032

WASHER

11

205-979-1260

BRACKET

12

01010-51020

BOLT

13

01643-31032

WASHER

14

141-06-11220

CLIP

15

01010-51025

BOLT

16

01643-31032

WASHER

17

08034-00536

BAND

18

205-62-53780

COVER

19

08034-00536

BAND

20

150-952-8180

SPACER

21

01010-51085

BOLT

22

01643-31032

WASHER

Выбрано товаров: 0