Запчасти Komatsu PC650-3 ГИДР. БАК.(№8-8) УПРАВЛ-Е РАБОЧИМ ОБОРУДОВАНИЕМ

Схема запчастей Komatsu PC650-3 - ГИДР. БАК.(№8-8) УПРАВЛ-Е РАБОЧИМ ОБОРУДОВАНИЕМ
FIT
1:1
100%

Артикул

Название

Примечание

Количество

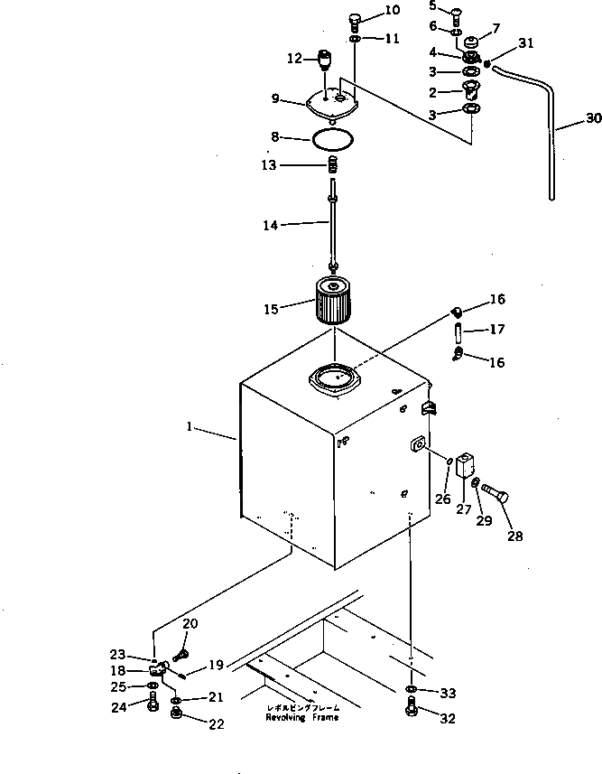
|1

209-60-00101

HYDRAULIC TANK ASS'Y

1

209-60-51111

TANK

2

205-60-51480

SCREEN

3

205-60-51460

GASKET

4

201-60-12171

FILLER NECK

5

01220-40516

SCREW

6

01601-20513

WASHER,SPRING

7

209-60-51180

CAP

|7

23S-03-11150

CAP ASS'Y

8

07000-05230

O-RING

9

209-60-51131

COVER

10

01010-51235

BOLT

11

01643-31232

WASHER

12

424-U40-1120

BREATHER,SEE FIG.6015

13

12R-60-11230

SPRING

14

209-60-11131

SUPPORT

15

209-60-51120

STRAINER

16

203-60-31100

ELBOW ASS'Y

17

203-60-31160

TUBE

|18

155-60-12500

VALVE ASS'Y

18

155-60-12510

BODY

19

04025-00532

PIN

20

155-60-12520

VALVE

21

07005-02416

GASKET

22

07040-12412

PLUG

23

07000-03025

O-RING

24

01010-51025

BOLT

25

01643-31032

WASHER

26

07000-02055

O-RING

27

600-815-3210

CASE

28

01010-51075

BOLT

29

01643-31032

WASHER

30

207-60-11350

TUBE

31

07280-01110

CLAMP

32

01010-52045

BOLT

33

01643-32060

WASHER

Выбрано товаров: 36