Качественные детали и логистика
Оригинальные и аналоговые запчасти с доставкой по России, Казахстану и Беларуси
©2022 PartSell ООО "Система" ИНН 2463123282 ОГРН 1212400004838
Центральный офис: г. Красноярск, Академика Киренского, д.87, пом.4
Телефон: 8 (800) 777-65-74 Email: zakaz@partsell.ru
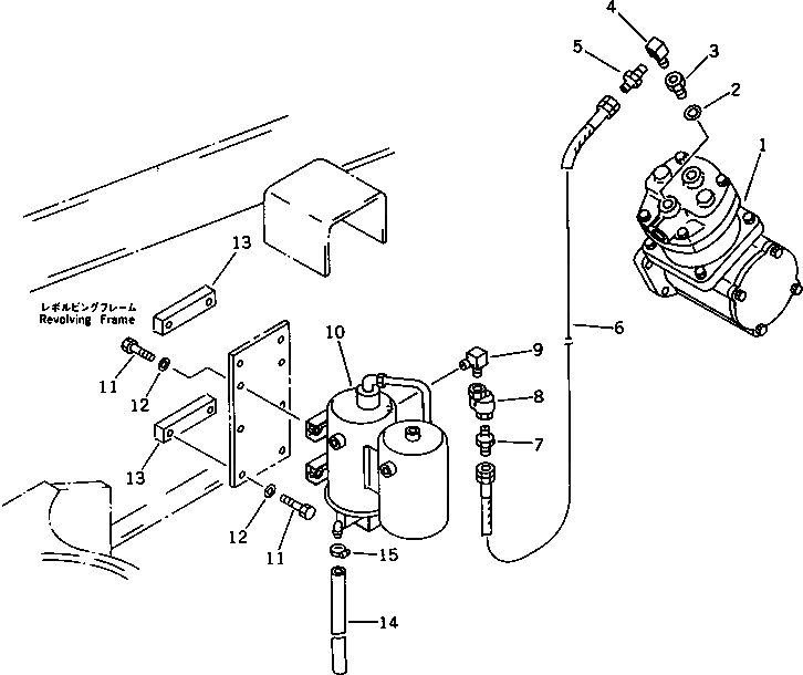
ВОЗДУХОВОД (/) (С ВОЗД. ВЛАГООТДЕЛИТЕЛЬ)
№
Артикул
Название
Примечание
Количество
1
6210-81-3111
AIR COMPRESSOR ASS'Y
2
205-68-51210
GASKET
3
209-68-51170
NIPPLE
4
209-68-51180
ELBOW
5
209-68-51110
6
209-68-11140
HOSE
7
07821-10801
8
205-68-51180
VALVE
9
21T-68-11390
10
232-44-51200
DRYER
11
01010-51225
BOLT
12
01643-31232
WASHER
13
01573-22312
SEAT,(WELDED TO REVOLVING FRAME)
14
21T-68-11430
TUBE
15
07281-02229
CLAMP
Выбрано товаров: 0