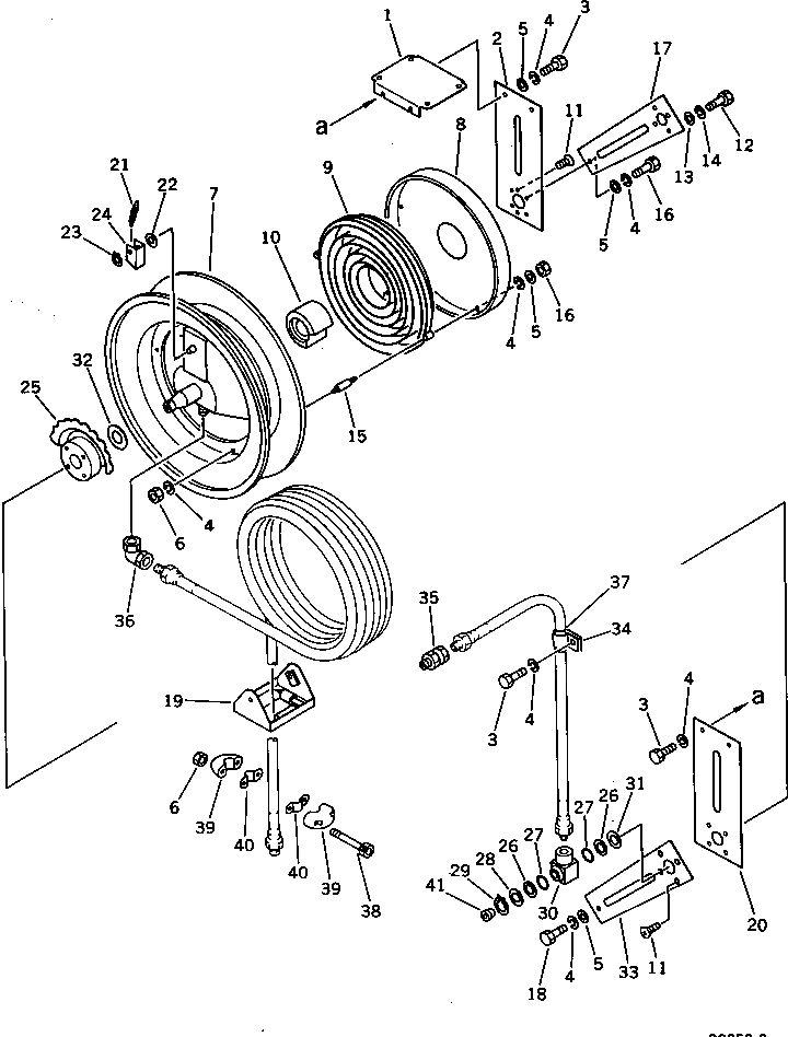
Запчасти Komatsu PC650-3 СМАЗ. REEL(№-) УПРАВЛ-Е РАБОЧИМ ОБОРУДОВАНИЕМ

Схема запчастей Komatsu PC650-3 - СМАЗ. REEL(№-) УПРАВЛ-Е РАБОЧИМ ОБОРУДОВАНИЕМ
FIT
1:1
100%

Артикул

Название

Примечание

Количество

G-1

209-68-X1000

GREASE PUMP GROUP

|1

209-68-11390

GREASE REEL ASS'Y

1

YU830912-4

BASE ASS'Y

2

YU706871-3

BASE,R.H.

3

YU611147-3

BOLT

4

YU631420-1

WASHER,SPRING

5

YU631209-1

WASHER

6

YU627012-1

NUT

7

YU830913-2

WHEEL ASS'Y

8

YU705909-3

CASE

9

YU706876-3

SPRING

10

YU706874-3

BEARING

11

YU602759-1

SCREW

12

YU611099-1

BOLT

13

YU631208-1

WASHER

14

YU631418-1

WASHER,SPRING

15

YU706911-4

STUD

16

YU627292-1

NUT,LOCK

17

YU706875-3

ARM,R.H.

18

YU611145-1

BOLT

19

YU830914-3

ROLLER BOARD ASS'Y

20

YU706891-3

BASE,L.H.

21

YU705899-4

SPRING

22

YU631014-1

WASHER

23

YU630685-1

RING

24

YU705891-4

STOPPER

25

YU830911-3

BEARING ASS'Y

26

YU643680-0

RING,BACK-UP

27

YU640020-1

O-RING

28

YU705893-4

WASHER

29

YU630695-1

RETAINER

30

YU705104-4

JOINT

31

YU706879-4

WASHER

32

YU706868-4

WASHER

33

YU706878-3

ARM,L.H.

34

YU705902-4

HOLDER

35

YU680080-4

ADAPTER

36

YU705902-4

HOLDER

37

YU770554-4

HOLDER

38

YU619155-1

BOLT

39

YU770199-4

STOPPER

40

YU830592-4

BAND ASS'Y

41

YU634361-1

PLUG

Выбрано товаров: 43