Запчасти Komatsu PC650-3 ЦИЛИНДР КОВША ТРУБЫ (СТРЕЛА) (/) РАБОЧЕЕ ОБОРУДОВАНИЕ (ПОГРУЗ.)

Схема запчастей Komatsu PC650-3 - ЦИЛИНДР КОВША ТРУБЫ (СТРЕЛА) (/) РАБОЧЕЕ ОБОРУДОВАНИЕ (ПОГРУЗ.)
FIT
1:1
100%

Артикул

Название

Примечание

Количество

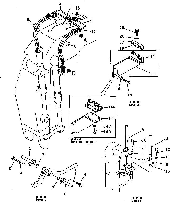
G-1

209-72-X1000

WORK EQUIPMENT GROUP

1

209-62-53371

TUBE,L.H.

2

209-62-53381

TUBE,R.H.

3

209-62-53391

TUBE,L.H.

4

209-62-53411

TUBE,R.H.

5

01010-51245

BOLT

6

01643-31232

WASHER

7

07000-13038

O-RING

8

07099-01218

HOSE

9

07371-51260

FLANGE,SPLIT

10

01010-51245

BOLT

11

01643-31232

WASHER

12

07000-13038

O-RING

13

209-62-53421

BRACKET

14

209-62-53270

SEAT

|14

209-62-53422

BRACKET

14A

209-62-53770

BRACKET

14B

01010-51240

BOLT

14C

01643-31232

WASHER

15

01010-51230

BOLT

|15

01010-51230

BOLT

16

01643-31232

WASHER

|16

01643-31232

WASHER

17

209-62-53280

CLAMP

18

209-62-53270

SEAT

19

01010-51250

BOLT

20

01643-31232

WASHER

Выбрано товаров: 27