Запчасти Komatsu PC650-3 КОНДИЦ. ВОЗДУХА И ТРУБЫ (/) ЧАСТИ КОРПУСА

Схема запчастей Komatsu PC650-3 - КОНДИЦ. ВОЗДУХА И ТРУБЫ (/) ЧАСТИ КОРПУСА
FIT
1:1
100%

Артикул

Название

Примечание

Количество

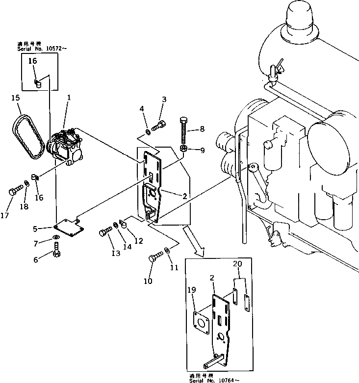
G-1

209-979-X100

AIR CONDITIONER G.

1

209-979-1970

COMPRESSOR ASS'Y

2

209-979-5112

BRACKET

2

209-979-5111

BRACKET

2

209-979-5110

BRACKET

3

01010-50840

BOLT

4

01643-30823

WASHER

5

209-979-5310

PLATE

5

195-Z11-5150

PLATE

6

01010-50835

BOLT

6

01010-50830

BOLT

7

01643-30823

WASHER

8

01017-51200

BOLT

9

01580-11210

NUT

10

01010-51035

BOLT

10

01010-51030

BOLT

11

01643-31032

WASHER

12

112-946-4170

CLIP

13

01010-51020

BOLT

14

01643-31032

WASHER

15

04120-21735

V-BELT

16

08036-10814

CLIP

16

08036-10814

CLIP

17

01010-50816

BOLT

17

01010-50816

BOLT

18

01643-30823

WASHER

18

01643-30823

WASHER

19

21N-979-1231

PLATE

20

21N-979-1240

PLATE

Выбрано товаров: 29