Запчасти Komatsu PC650-3 ГИДР. НАСОС.¤ NO. (ПЕРЕДН. CO И NC КЛАПАН) (9/) (С -STAGE SELECTOR MODE OLSS) УПРАВЛ-Е РАБОЧИМ ОБОРУДОВАНИЕМ

Схема запчастей Komatsu PC650-3 - ГИДР. НАСОС.¤ NO. (ПЕРЕДН. CO И NC КЛАПАН) (9/) (С -STAGE SELECTOR MODE OLSS) УПРАВЛ-Е РАБОЧИМ ОБОРУДОВАНИЕМ
FIT
1:1
100%

Артикул

Название

Примечание

Количество

|$0

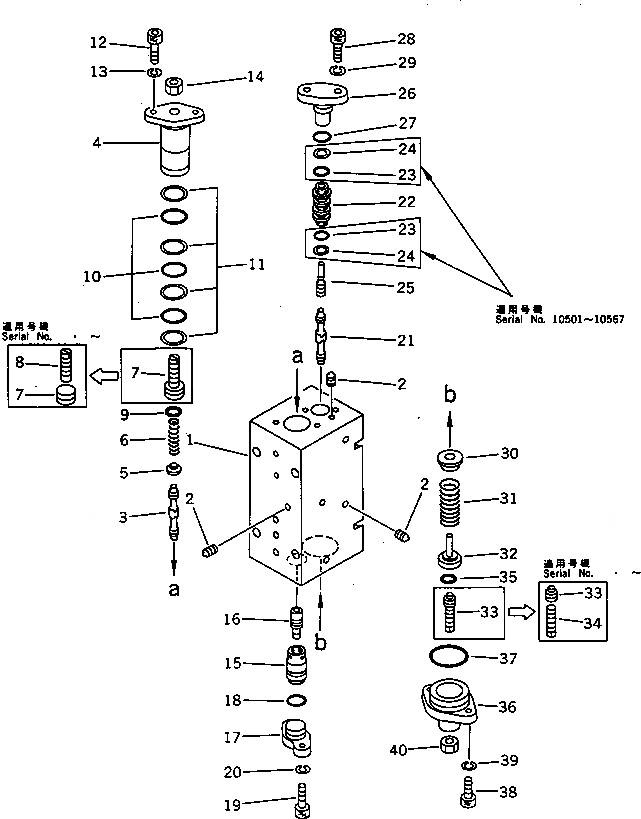
708-25-01031

PUMP ASS'Y

|$1

708-25-01030

PUMP ASS'Y,(HPV 90+90)

|$3

708-25-01531

SERVO VALVE ASS'Y,FRONT

|$4

708-25-01530

SERVO VALVE ASS'Y,FRONT

|$6

708-25-57100

VALVE ASS'Y

|$7

708-23-00290

BODY ASS'Y

1

BODY

1

BODY

2

EXPANDER

3

SPOOL

3

SPOOL

4

708-25-17131

COVER

5

708-25-17180

SEAT

6

708-25-17190

SPRING

7

708-25-17420

PLUG

7

708-25-17122

PLUG

8

708-25-17430

SCREW

9

07000-02010

O-RING

10

07000-12021

O-RING

11

07001-02021

RING,BACK-UP

12

708-25-15320

BOLT

13

01602-20619

WASHER,SPRING

14

01580-10806

NUT

15

708-25-17150

SLEEVE

16

708-25-17160

PISTON

17

708-25-17170

COVER

18

07000-02014

O-RING

19

708-25-15320

BOLT

20

01602-20619

WASHER,SPRING

21

SPOOL

21

SPOOL

22

SLEEVE

22

SLEEVE

23

07000-12012

O-RING

24

07001-02012

RING,BACK-UP

25

708-25-17220

PISTON

26

708-25-17230

COVER

27

07000-02012

O-RING

28

708-25-15320

BOLT

29

01602-20619

WASHER,SPRING

30

708-25-17370

SEAT

31

708-25-17250

SPRING

32

708-25-17260

SEAT

33

708-25-17410

PLUG

33

708-25-17360

PLUG

34

708-25-15340

SCREW

35

07000-01009

O-RING

36

708-25-17350

COVER

37

07000-03028

O-RING

38

708-25-15320

BOLT

39

01602-20619

WASHER,SPRING

40

01580-10806

NUT

Выбрано товаров: 0