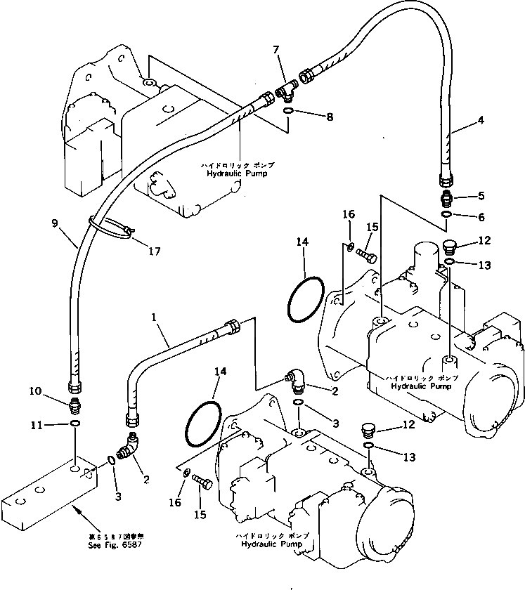
Запчасти Komatsu PC650-3 ВОЗВРАТ. ТРУБЫ (НАСОС - БЛОК) УПРАВЛ-Е РАБОЧИМ ОБОРУДОВАНИЕМ

Схема запчастей Komatsu PC650-3 - ВОЗВРАТ. ТРУБЫ (НАСОС - БЛОК) УПРАВЛ-Е РАБОЧИМ ОБОРУДОВАНИЕМ
FIT
1:1
100%

Артикул

Название

Примечание

Количество

1

07102-20606

HOSE

2

07235-10628

ELBOW

3

07002-12434

O-RING

4

07102-20607

HOSE

5

07230-10628

UNION

6

07002-12434

O-RING

7

21T-62-38190

TEE

8

07002-12434

O-RING

9

07102-20613

HOSE

10

07230-20628

UNION

11

07002-12434

O-RING

12

07040-12414

PLUG

13

07002-12434

O-RING

14

07000-05230

O-RING

15

01010-51650

BOLT

16

01643-31645

WASHER

17

08034-00536

BAND

Выбрано товаров: 17