Запчасти Komatsu PC650-3 VAVLE - ФИЛЬТР. ТРУБЫ (/) УПРАВЛ-Е РАБОЧИМ ОБОРУДОВАНИЕМ

Схема запчастей Komatsu PC650-3 - VAVLE - ФИЛЬТР. ТРУБЫ (/) УПРАВЛ-Е РАБОЧИМ ОБОРУДОВАНИЕМ
FIT
1:1
100%

Артикул

Название

Примечание

Количество

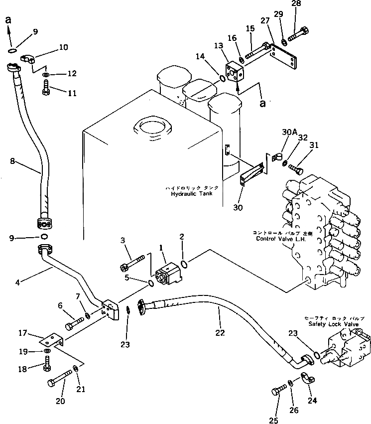
1

209-60-52102

VALVE ASS'Y

2

07000-02060

O-RING

3

01253-41230

BOLT

4

209-62-56111

TUBE

5

07000-03048

O-RING

6

01010-51285

BOLT

7

01643-31232

WASHER

8

07296-01410

HOSE

9

07000-03048

O-RING

10

07371-31465

FLANGE,SPLIT

11

07372-21240

BOLT

12

01643-51232

WASHER

13

209-62-56141

BLOCK

14

07000-03048

O-RING

15

01011-51200

BOLT

16

01643-31232

WASHER

17

209-62-56290

BRACKET

18

01010-51225

BOLT

19

01643-31232

WASHER

20

01010-51290

BOLT

21

01643-31232

WASHER

22

07298-01012

HOSE

23

07000-03032

O-RING

24

07371-31049

FLANGE,SPLIT

25

07372-21035

BOLT

26

01643-51032

WASHER

27

209-62-56260

PLATE

28

01011-51200

BOLT

29

01643-31232

WASHER

30

209-62-56180

BRACKET

30A

08036-01814

CLIP

31

01010-51230

BOLT

32

01643-31232

WASHER

Выбрано товаров: 0