Запчасти Komatsu PC650-5 & PC650LC-5 ЭЛЕКТРИКА MACHINE УПРАВЛ-Е заводской номер THRU ЭЛЕКТРИКА

Схема запчастей Komatsu PC650-5 & PC650LC-5 - ЭЛЕКТРИКА MACHINE УПРАВЛ-Е заводской номер THRU ЭЛЕКТРИКА
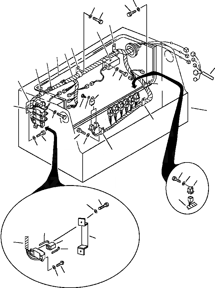
11
10
5
4
3
28
3
1
2
2
34
6
31
30
29
9
21
6
19
35
20
33
9
32
13
7
14
8
12
23
24
22
26
27
18
25
17
1
18
15
16
1
FIT
1:1
100%

Артикул

Название

Примечание

Количество

1

209-06-61263

HARNESS, WIRING

2

08020-00000

DIODE

3

08036-02514

CLIP

4

01010-51225

BOLT

5

01643-31232

WASHER

6

08036-01414

CLIP

7

01010-51225

BOLT

8

01643-31232

WASHER

9

08036-02514

CLIP

10

01010-51225

BOLT

11

01643-31232

WASHER

12

08036-01414

CLIP

13

01010-51225

BOLT

14

01643-31232

WASHER

15

01220-40412

SCREW

16

01641-20405

WASHER

17

20K-06-11260

RELAY

18

20K-06-11280

SPRING

19

01010-50612

BOLT

20

01643-30623

WASHER

21

20Y-979-2690

RELAY

22

22W-06-13450

RELAY ASSEMBLY

23

01010-50612

BOLT

24

01643-30623

WASHER

25

209-06-61170

PLATE

26

01010-51225

BOLT

27

01643-31232

WASHER

28

209-06-62410

TIMER

29

01010-50610

BOLT

30

01643-30623

WASHER

31

209-06-62421

TIMER

32

01010-50610

BOLT

33

01643-30623

WASHER

Выбрано товаров: 33