Запчасти Komatsu PC650-5 & PC650LC-5 ЭЛЕКТРИКА РАБОЧЕЕ ОБОРУДОВАНИЕ УПРАВЛ-Е ЭЛЕКТРИКА

Схема запчастей Komatsu PC650-5 & PC650LC-5 - ЭЛЕКТРИКА РАБОЧЕЕ ОБОРУДОВАНИЕ УПРАВЛ-Е ЭЛЕКТРИКА
1
3
2
3
2
3
19
17
14
5
6
12
13
18
4
4
8
9
7
15
16
11
10
11
1
FIT
1:1
100%

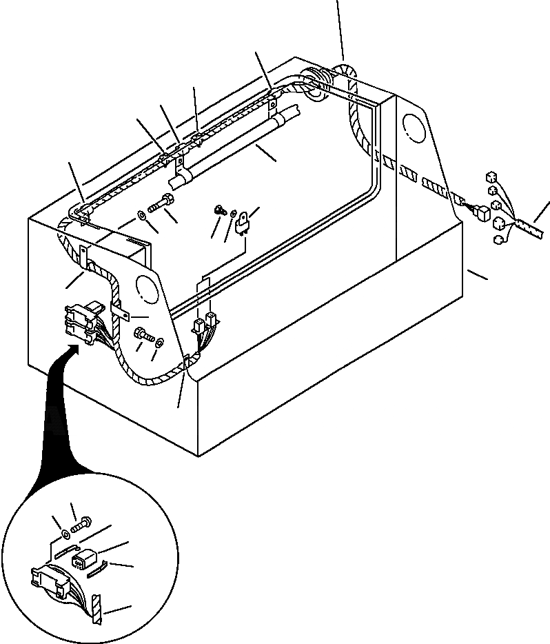
Артикул

Название

Примечание

Количество

1

209-06-61272

HARNESS, WIRING

2

08020-00000

DIODE

3

08036-01814

CLIP

4

08036-01814

CLIP

5

01010-51225

BOLT

6

01613-31232

WASHER

7

08036-01414

CLIP

8

01010-51225

BOLT

9

01643-31232

WASHER

10

20K-06-11260

RELAY

11

20K-06-11280

SPRING

12

01010-50612

BOLT

13

01643-30623

WASHER

14

20Y-979-2680

RELAY

15

01220-40412

SCREW

16

01641-20405

WASHER

Выбрано товаров: 16