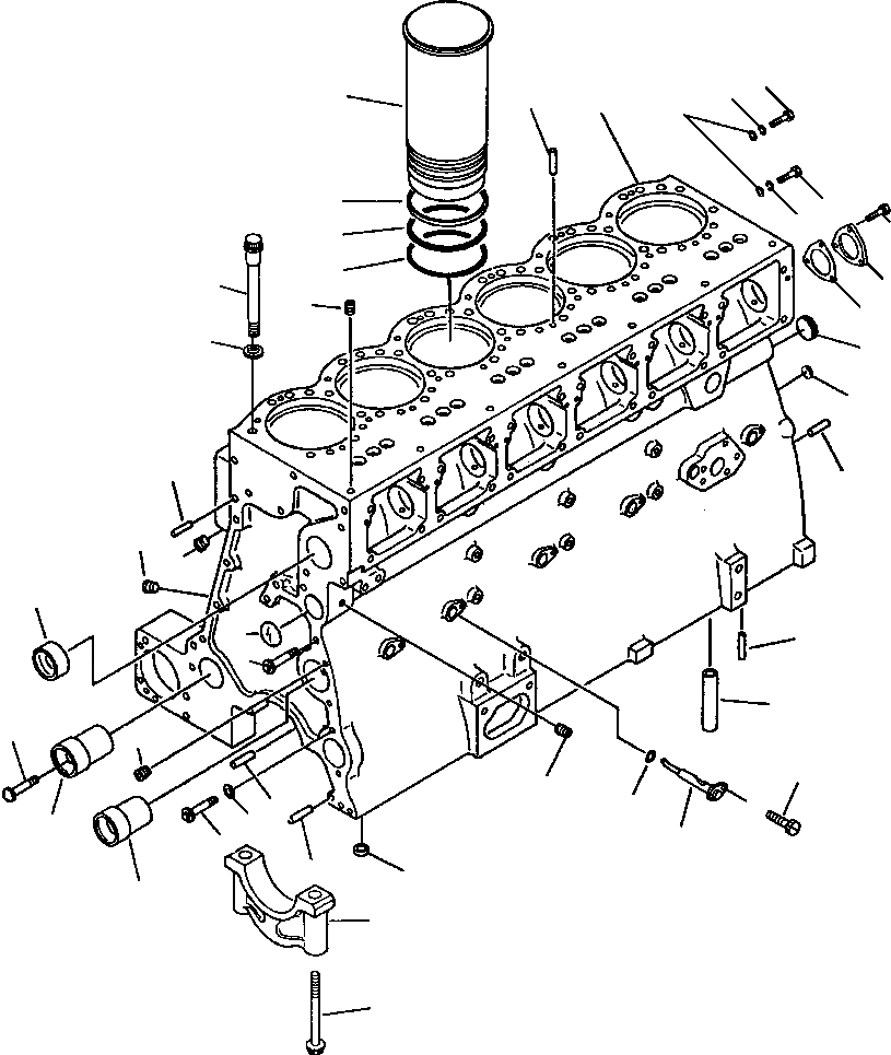
Запчасти Komatsu PC650-5 & PC650LC-5 БЛОК ЦИЛИНДРОВ ДВИГАТЕЛЬ

Схема запчастей Komatsu PC650-5 & PC650LC-5 - БЛОК ЦИЛИНДРОВ ДВИГАТЕЛЬ
10
35
46
1
36
49
9
35
42
48
47
12
40
38
41
32
27
25
19
16
24
26
2
27
17
7
31
21
25
44
13
23
18
34
28
22
8
15
20
29
3
11
14
FIT
1:1
100%

Артикул

Название

Примечание

Количество

|$0

1241 359 H91

BLOCK ASSEMBLY, CYLINDER

1

NSS

BLOCK, CYLINDER

2

1239 052 H1

BUSHING

3

1238 651 H1

CAP, MAIN BEARING - NO. 2, 3, 4, & 5

|$4

1238 652 H1

CAP, MAIN BEARING - NO. 1

|$5

1238 653 H1

CAP, MAIN BEARING - NO. 6

|$6

1238 661 H1

CAP, MAIN BEARING - NO. 7

7

1239 321 H1

BOLT W/WASHER - 3/8-16 X 1

8

1238 520 H1

BOLT, TWELVE POINT - 3/8-16 X 1 1/4

9

1238 026 H1

BOLT - 5/8-11 X 1 3/4

10

1237 988 H1

BOLT - 5/8-11 X 2

11

1241 602 H1

BOLT, TWELVE POINT - 1-14 X 7 13/16

12

1239 635 H1

BOLT, TWELVE POINT - 3/4-16 X 7 29/32

13

1239 515 H1

PLUG, PIPE

14

1240 019 H1

PIN, GROOVE

15

1239 976 H1

DOWEL, PIN

16

1240 090 H1

DOWEL, FLYWHEEL HOUSING

17

1239 999 H1

DOWEL, REAR MAIN BEARING

18

1238 230 H1

DOWEL

19

1238 716 H1

DOWEL, DIAMOND

20

1239 144 H1

PLUG, EXPANSION

21

1238 813 H1

BOLT, TWELVE POINT

22

1239 143 H91

NOZZLE, PISTON COOLING

23

1239 326 H1

O-RING

24

1239 515 H1

PLUG, PIPE

25

1238 345 H1

PLUG, EXPANSION

26

1239 161 H1

PLUG, PIPE

27

1238 435 H1

PLUG, EXPANSION

28

1241 370 H1

SHAFT, IDLER - WATER PUMP

29

1241 370 H1

SHAFT, IDLER - CAMSHAFT

31

1238 706 H1

TUBE, LUBE OIL TRANSFER

32

1238 656 H1

WASHER, PLAIN

34

1238 237 H1

WASHER, PLAIN

35

1238 100 H1

WASHER, LOCK

36

1238 115 H1

WASHER, PLAIN

38

1240 101 H1

PLUG, PIPE

44

1239 663 H1

BOLT W/WASHER - 5/16-24 X 3/4

40

1238 802 H1

COVER, CAMSHAFT

41

1239 755 H1

GASKET, CAMSHAFT COVER

42

1239 321 H1

BOLT W/WASHER - 3/8-16 X 1

|$40

1239 576 H91

KIT, CYLINDER LINER - STD

46

NSS

LINER, CYLINDER

47

1239 317 H1

SEAL, D RING - BOTTOM

48

1239 236 H1

SEAL, D RING - TOP

49

1238 667 H1

SEAL, CREVICE

|$47

1241 668 H91

KIT, CYLINDER LINER - .020 IN OVERSIZE

|$48

1241 669 H91

KIT, CYLINDER LINER - .040 IN OVERSIZE

|$49

1241 670 H91

KIT, CYLINDER LINER - .060 IN OVERSIZE

|$50

1241 671 H91

KIT, CYLINDER LINER - .083 IN OVERSIZE

|$51

1241 672 H91

KIT, CYLINDER LINER - .095 IN OVERSIZE

|$54

1281 050 H1

SHIM, LINER - .007 IN

|$55

1281 051 H1

SHIM, LINER - .008 IN

|$56

1281 052 H1

SHIM, LINER - .009 IN

|$57

1281 053 H1

SHIM, LINER - .020 IN

|$58

1281 054 H1

SHIM, LINER - .031 IN

Выбрано товаров: 0