Запчасти Komatsu PC650-5 & PC650LC-5 ГИДР. НАСОС. NO. ЗАДН. БЛОК СЕРВОКЛАПАНА ГИДРАВЛИКА

Схема запчастей Komatsu PC650-5 & PC650LC-5 - ГИДР. НАСОС. NO. ЗАДН. БЛОК СЕРВОКЛАПАНА ГИДРАВЛИКА
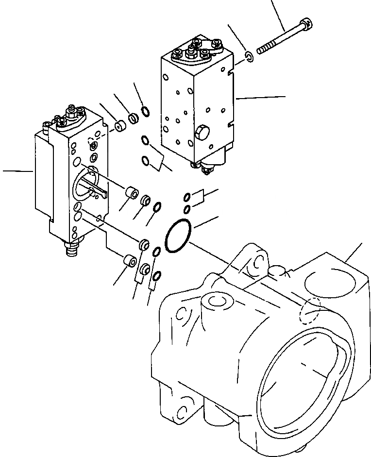
12
13
10
9
7
8
1
11
6
3
2
4
5
14
3
4
5
FIT
1:1
100%

Артикул

Название

Примечание

Количество

|$1

708-25-09211

VALVE UNIT, REAR SERVO

2

07000-03048

O-RING

3

708-25-19150

ORIFICE

4

720-68-11920

FILTER

5

07000-12010

O-RING

6

07000-11009

O-RING

7

708-25-09611

VALVE ASSEMBLY, FEAR CO & NC (SEE PG H-0114)

8

708-25-19191

ORIFICE

9

720-68-11920

FILTER

10

07000-12010

O-RING

11

07000-02011

O-RING

12

708-25-19160

BOLT

13

01602-20825

WASHER

Выбрано товаров: 13