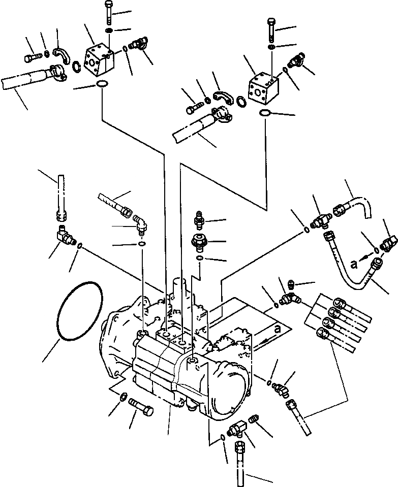
Запчасти Komatsu PC650-5 & PC650LC-5 ГИДР. НАСОС. NO. СОЕДИНЕНИЕ ГИДРАВЛ ФИТТИНГS ГИДРАВЛИКА

Схема запчастей Komatsu PC650-5 & PC650LC-5 - ГИДР. НАСОС. NO. СОЕДИНЕНИЕ ГИДРАВЛ ФИТТИНГS ГИДРАВЛИКА
25
24
30
34
32
26
31
35
33
39
27
41
36
28
40
29
37
49
38
42
48
43
16
47
17
18
2
14
19
1
15
3
12
4
13
6
5
20
8
21
7
44
23
22
46
11
9
10
45
FIT
1:1
100%

Артикул

Название

Примечание

Количество

1

706-87-40150

PLUG

2

20B-27-11210

BLEEDER

3

07002-02434

O-RING

4

209-62-67470

ELBOW

5

07042-30108

PLUG

6

07002-11423

O-RING

7

209-62-67260

ELBOW

8

07002-01023

O-RING

9

209-62-57730

TEE

10

07002-02034

O-RING

11

07042-30211

PLUG

12

207-62-33920

ELBOW

13

07002-11423

O-RING

14

07235-10628

ELBOW

15

07002-02434

O-RING

16

21T-62-29960

NIPPLE

17

07002-11423

O-RING

18

207-62-33920

ELBOW

19

07002-11423

O-RING

20

07102-20303

HOSE

21

07000-05230

O-RING

22

01010-51650

BOLT

23

01643-31645

WASHER

24

209-62-61250

BLOCK

25

01010-51085

BOLT

26

01643-31032

WASHER

27

209-62-61310

NIPPLE ASSEMBLY

28

209-62-61330

O-RING

29

21T-09-11460

O-RING

30

07371-31049

FLANGE

31

07372-21035

BOLT

32

01643-51032

WASHER

33

209-62-61260

BLOCK

34

01010-51085

BOLT

35

01643-31032

WASHER

36

209-62-61310

NIPPLE ASSEMBLY

37

209-62-61330

O-RING

38

21T-09-11460

O-RING

39

07371-31049

FLANGE

40

07372-21035

BOLT

41

01643-51032

WASHER

Выбрано товаров: 41