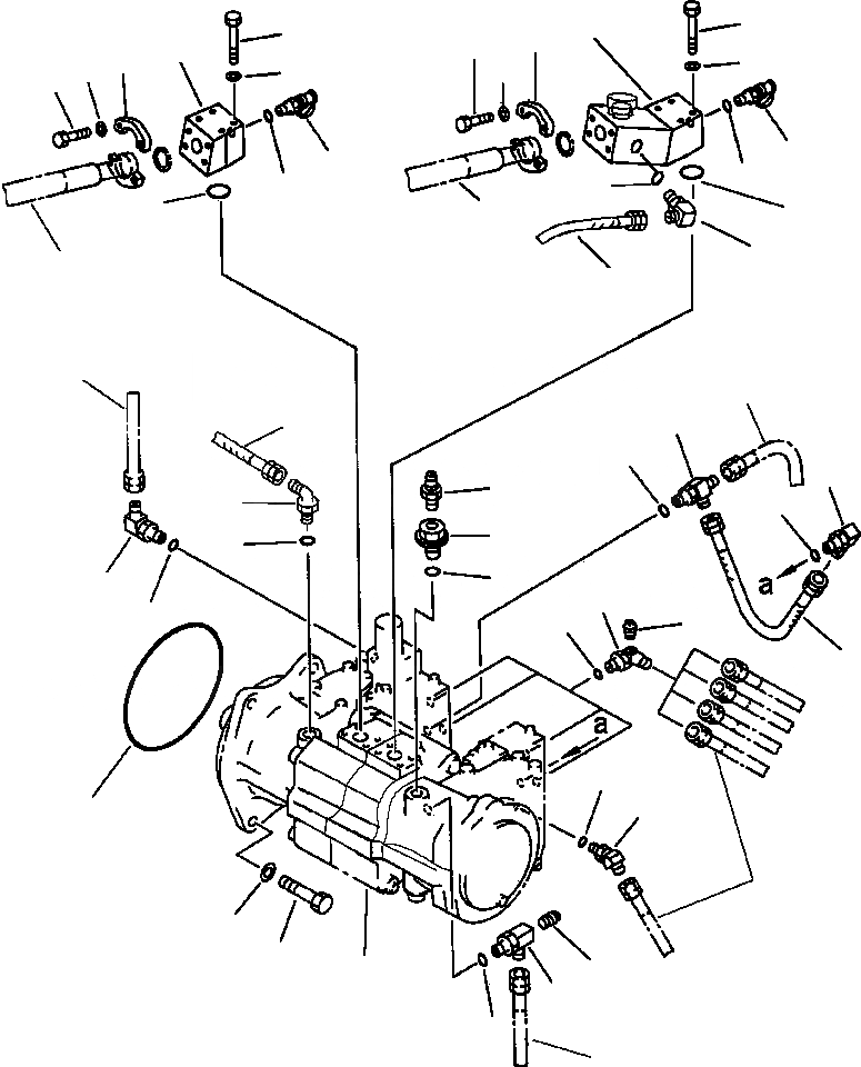
Запчасти Komatsu PC650-5 & PC650LC-5 ГИДР. НАСОС. NO. СОЕДИНЕНИЕ ГИДРАВЛ ФИТТИНГS СО СЪЕМОМ ПРОТИВОВЕСА ГИДРАВЛИКА

Схема запчастей Komatsu PC650-5 & PC650LC-5 - ГИДР. НАСОС. NO. СОЕДИНЕНИЕ ГИДРАВЛ ФИТТИНГS СО СЪЕМОМ ПРОТИВОВЕСА ГИДРАВЛИКА
33
34
25
39
40
24
30
35
32
26
41
31
36
27
37
28
43
29
38
44
42
52
45
50
46
51
16
17
18
2
14
19
1
15
3
12
4
13
6
5
20
8
21
7
47
23
22
49
11
9
10
48
FIT
1:1
100%

Артикул

Название

Примечание

Количество

1

706-87-40150

PLUG

2

20B-27-11210

BLEEDER

3

07002-02434

O-RING

4

209-62-67470

ELBOW

5

07042-30108

PLUG

6

07002-11423

O-RING

7

209-62-67260

ELBOW

8

07002-01023

O-RING

9

209-62-57730

TEE

10

07002-02034

O-RING

11

07042-30211

PLUG

12

207-62-33920

ELBOW

13

07002-11423

O-RING

14

07235-10628

ELBOW

15

07002-02434

O-RING

16

21T-62-29960

NIPPLE

17

07002-11423

O-RING

18

207-62-33920

ELBOW

19

07002-11423

O-RING

20

07102-20303

HOSE

21

07000-05230

O-RING

22

01010-51650

BOLT

23

01643-31645

WASHER

24

209-62-61250

BLOCK

25

01010-51085

BOLT

26

01643-31032

WASHER

27

209-62-61310

NIPPLE ASSEMBLY

28

209-62-61330

O-RING

29

21T-09-11460

O-RING

30

07371-31049

FLANGE

31

07372-21035

BOLT

32

01643-51032

WASHER

34

01010-51090

BOLT

35

01643-31032

WASHER

36

209-62-61310

NIPPLE ASSEMBLY

37

209-62-61330

O-RING

38

21T-09-11460

O-RING

39

07371-31049

FLANGE

40

07372-21035

BOLT

41

01643-51032

WASHER

42

07235-10315

ELBOW

43

07002-12034

O-RING

Выбрано товаров: 42