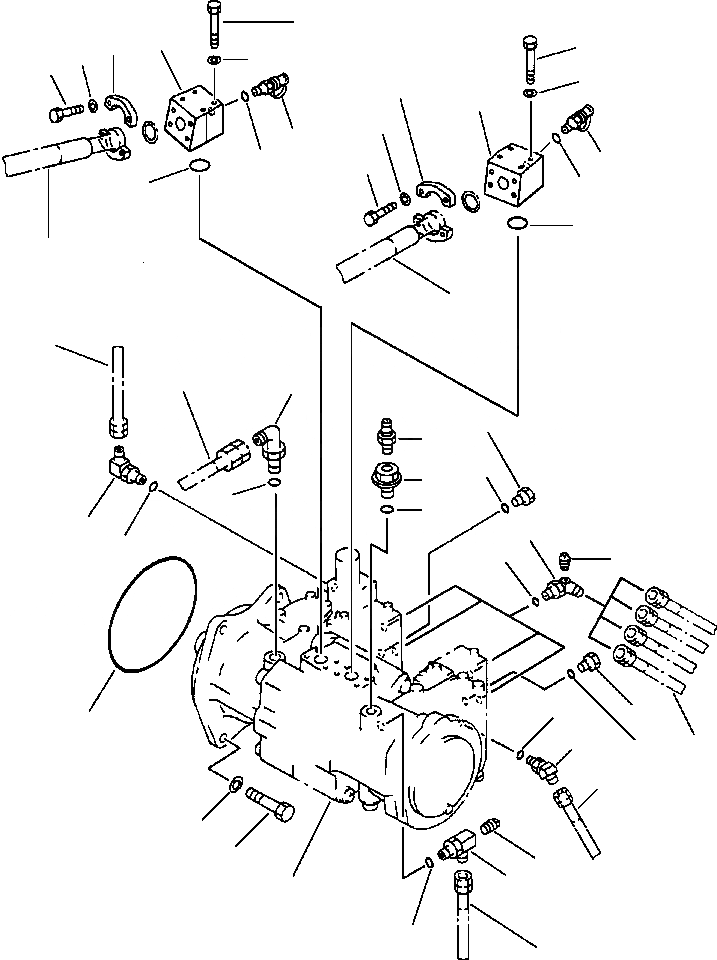
Запчасти Komatsu PC650-5 & PC650LC-5 ГИДР. НАСОС. NO. ГИДРАВЛ ФИТТИНГS, ПРЯМАЯ ЛОПАТА ГИДРАВЛИКА

Схема запчастей Komatsu PC650-5 & PC650LC-5 - ГИДР. НАСОС. NO. ГИДРАВЛ ФИТТИНГS, ПРЯМАЯ ЛОПАТА ГИДРАВЛИКА
24
23
29
33
31
25
30
34
38
32
40
26
27
35
39
28
36
37
41
47
42
43
14
16
2
17
1
15
3
12
4
13
6
5
8
18
20
46
7
19
46
22
21
11
9
44
10
45
FIT
1:1
100%

Артикул

Название

Примечание

Количество

1

706-87-40150

PLUG

2

20B-27-11210

BLEEDER

3

07002-02434

O-RING

4

209-62-67470

ELBOW

5

07042-30108

PLUG

6

07002-11423

O-RING

7

209-62-67260

ELBOW

8

07002-01023

O-RING

9

209-62-57730

TEE

10

07002-02034

O-RING

11

07042-30211

PLUG

12

207-62-33920

ELBOW

13

07002-11423

O-RING

14

07235-10628

ELBOW

15

07002-02434

O-RING

16

07040-11409

PLUG

17

07002-11423

O-RING

18

07040-11409

PLUG

19

07002-11423

O-RING

20

07000-05230

O-RING

21

01010-51650

BOLT

22

01643-31645

WASHER

23

209-62-61250

BLOCK

24

01010-51085

BOLT

25

01643-31032

WASHER

26

209-62-61310

NIPPLE ASSEMBLY

27

209-62-61330

O-RING

28

21T-09-11460

O-RING

29

07371-31049

FLANGE

30

07372-21035

BOLT

31

01643-51032

WASHER

32

209-62-61260

BLOCK

33

01010-51085

BOLT

34

01643-31032

WASHER

35

209-62-61310

NIPPLE ASSEMBLY

36

209-62-61330

O-RING

37

21T-09-11460

O-RING

38

07371-31049

FLANGE

39

07372-21035

BOLT

40

01643-51032

WASHER

Выбрано товаров: 0