Запчасти Komatsu PC650-5 & PC650LC-5 ПОВОРОТН. НАСОС БЛОК СЕРВОКЛАПАНА ГИДРАВЛИКА

Схема запчастей Komatsu PC650-5 & PC650LC-5 - ПОВОРОТН. НАСОС БЛОК СЕРВОКЛАПАНА ГИДРАВЛИКА
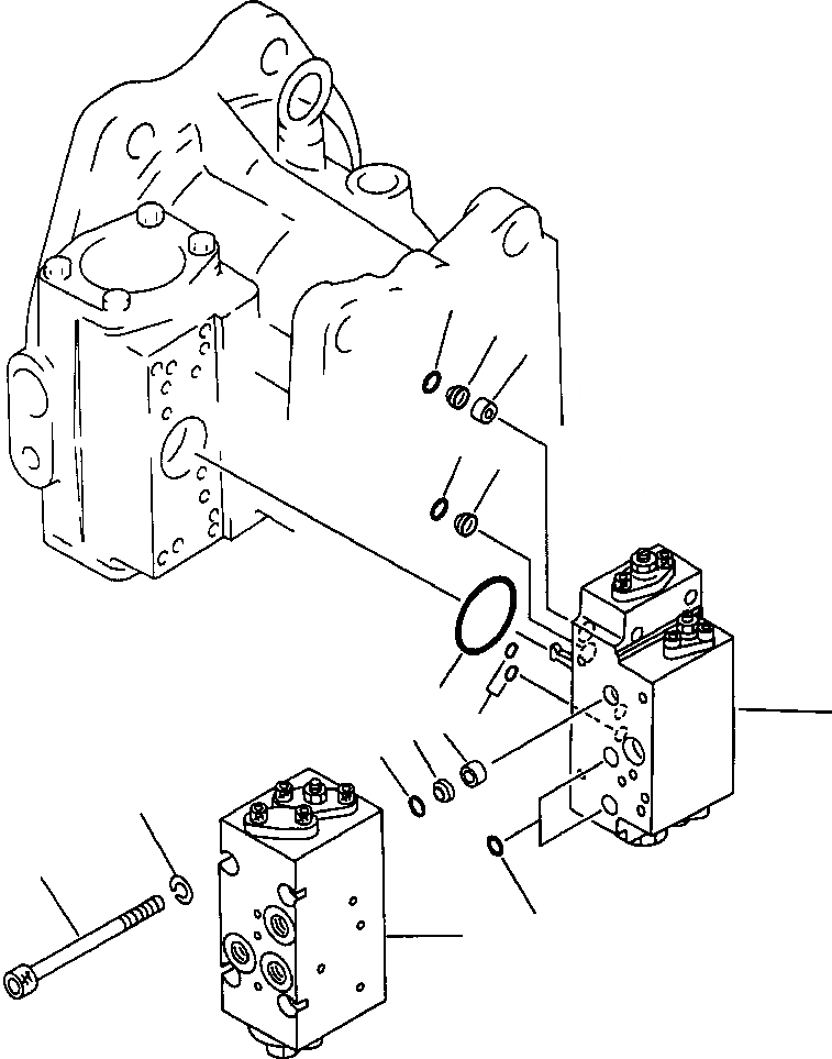
11
10
9
11
10
8
1
13
12
3
4
7
6
5
2
FIT
1:1
100%

Артикул

Название

Примечание

Количество

|$1

708-17-07130

VALVE UNIT , SERVO

3

720-68-11920

FILTER

4

07000-12010

O-RING

5

07000-02011

O-RING

6

708-25-19160

BOLT

7

01602-20825

WASHER, SPRING

8

07000-03048

O-RING

9

708-25-19150

ORIFICE

10

720-68-11920

FILTER

11

07000-12010

O-RING

12

07000-11009

O-RING

13

708-25-19191

ORIFICE

Выбрано товаров: 12