Запчасти Komatsu PC650-5 & PC650LC-5 ГИДР. НАСОС. - БЛОК ТРУБЫ СО СЪЕМОМ ПРОТИВОВЕСА ГИДРАВЛИКА

Схема запчастей Komatsu PC650-5 & PC650LC-5 - ГИДР. НАСОС. - БЛОК ТРУБЫ СО СЪЕМОМ ПРОТИВОВЕСА ГИДРАВЛИКА
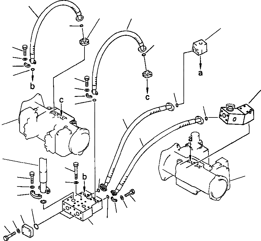
1
24
1
25
2
2
7
8
6
2
7
26
8
4
6
4
2
3
23
21
22
15
4
27
13
16
14
12
10
17
11
18
9
20
4
19
5
FIT
1:1
100%

Артикул

Название

Примечание

Количество

1

07085-01012

HOSE

2

21T-09-11460

O-RING

3

07083-01011

HOSE

4

21T-09-11460

O-RING

5

209-62-51280

BLOCK

6

07371-31049

FLANGE

7

07372-21035

BOLT

8

01643-51032

WASHER

9

07371-31049

FLANGE

10

07372-21035

BOLT

11

01643-51032

WASHER

12

07371-51470

FLANGE

13

01010-31455

BOLT

14

01643-31445

WASHER

15

01011-31210

BOLT

16

01643-31232

WASHER

17

21T-09-11510

O-RING

18

209-62-52220

PLATE

19

01010-31455

BOLT

20

01643-31445

WASHER

21

07083-01010

HOSE

Выбрано товаров: 21