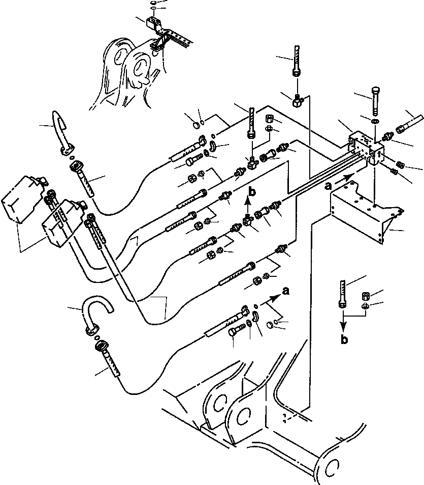
Запчасти Komatsu PC650-5 & PC650LC-5 ГЛАВН. ЛИНИЯ ТРУБЫ С ПРЕДОТВРАЩЕНИЕМ СМЕЩЕНИЯ КЛАПАН ГИДРАВЛИКА

Схема запчастей Komatsu PC650-5 & PC650LC-5 - ГЛАВН. ЛИНИЯ ТРУБЫ С ПРЕДОТВРАЩЕНИЕМ СМЕЩЕНИЯ КЛАПАН ГИДРАВЛИКА
15
16
24
22
7
13
23
16
21
15
14
1
17
25
18
4
12
8
10
9
6
2
5
27
18
11
3
17
12
8
18
20
9
28
10
17
11
18
26
12
17
19
18
17
28
17
18
25
16
15
4
6
5
27
FIT
1:1
100%

Артикул

Название

Примечание

Количество

1

209-662-58850

BLOCK

2

07043-70617

PLUG

3

07043-70312

PLUG

4

07371-31049

FLANGE

5

07372-21035

BOLT

6

01643-51032

WASHER

7

205-62-53461

ELBOW

8

209-62-54410

NIPPLE

9

205-60-71240

VALVE ASSEMBLY, CHECK

10

209-62-58870

ELBOW

11

176-62-15490

NIPPLE

12

07238-10315

CONNECTOR

13

01011-51245

BOLT

14

01643-31232

WASHER

15

07378-11000

HEAD

16

07000-13032

O-RING

17

07221-20315

NUT

18

07222-00312

PLUG

Выбрано товаров: 18