Качественные детали и логистика
Оригинальные и аналоговые запчасти с доставкой по России, Казахстану и Беларуси
©2022 PartSell ООО "Система" ИНН 2463123282 ОГРН 1212400004838
Центральный офис: г. Красноярск, Академика Киренского, д.87, пом.4
Телефон: 8 (800) 777-65-74 Email: zakaz@partsell.ru
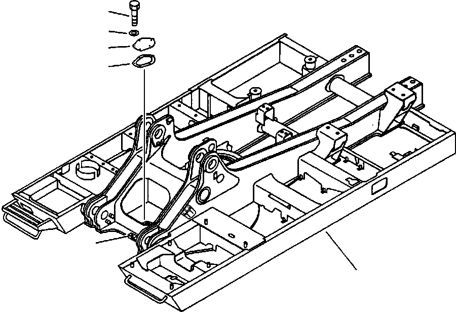
ОСНОВНАЯ РАМА ASSEMBLY (ВЫС. КАБИНА) С ПРЕДОТВРАЩЕНИЕМ СМЕЩЕНИЯ КЛАПАН
№
Артикул
Название
Примечание
Количество
1
209-46-61360
FRAME
2
209-46-12231
COVER
3
209-46-12242
GASKET
4
01010-51235
BOLT
5
01643-31232
WASHER
6
09690-M0063
PLATE, MARK
Выбрано товаров: 0