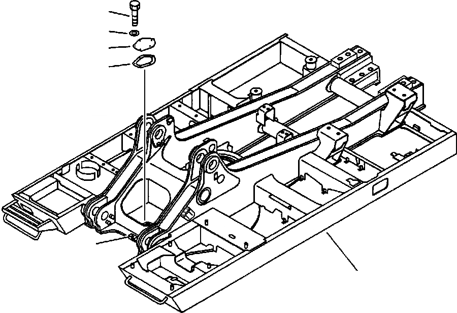
Запчасти Komatsu PC650-5 & PC650LC-5 ОСНОВНАЯ РАМА ASSEMBLY (ВЫС. КАБИНА) W/СЪЕМ ПРОТИВОВЕСА И ПРЕДОТВРАЩЕНИЕ СМЕЩЕНИЮ КЛАПАН ОСНОВНАЯ РАМА И ЕЕ ЧАСТИ

Схема запчастей Komatsu PC650-5 & PC650LC-5 - ОСНОВНАЯ РАМА ASSEMBLY (ВЫС. КАБИНА) W/СЪЕМ ПРОТИВОВЕСА И ПРЕДОТВРАЩЕНИЕ СМЕЩЕНИЮ КЛАПАН ОСНОВНАЯ РАМА И ЕЕ ЧАСТИ
4
5
2
3
6
1
FIT
1:1
100%

Артикул

Название

Примечание

Количество

1

209-46-61760

FRAME

2

209-46-12231

COVER

3

209-46-12242

GASKET

4

01010-51235

BOLT

5

01643-31232

WASHER

6

09690-M0063

PLATE, MARK

Выбрано товаров: 6