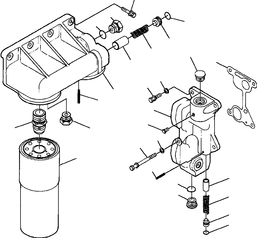
Запчасти Komatsu PC650-5 & PC650LC-5 МАСЛ. ФИЛЬТР ДВИГАТЕЛЬ

Схема запчастей Komatsu PC650-5 & PC650LC-5 - МАСЛ. ФИЛЬТР ДВИГАТЕЛЬ
12
13
8
10
22
11
1
2
6
9
15
20
7
5
1
3
25
16
17
23
22
19
18
21
24
14
4
FIT
1:1
100%

Артикул

Название

Примечание

Количество

1

1238 237 H1

WASHER, PLAIN

2

140 483 H

BOLT, W/WASHER - 3/8-16 X 1 1/4

3

1239 213 H1

BOLT, W/WASHER - 3/8-16 X 3 3/4

4

1239 893 H1

GASKET, LUBE OIL FILTER COVER

|$4

1295 056 H91

HEAD ASSEMBLY, LUBE OIL FILTER

5

1238 744 H92

PLUG, OIL DRAIN

|$6

1241 503 H1

O-RING

6

1239 830 H91

HEAD, LUBE OIL FILTER

7

1239 676 H1

ADAPTER, FILTER HEAD

8

1240 037 H1

STOP, ACTUATOR

9

1238 709 H1

PIN, ROLL

10

1238 710 H1

SPRING, COMPRESSION

11

1238 711 H1

PLUNGER, BYPASS VALVE

12

1239 594 H1

O-RING

|$14

1239 933 H91

CONNECTOR ASSEMBLY, FEMALE

13

1241 503 H1

O-RING

14

1251 319 H1

CONNECTOR, FEMALE

|$17

1295 057 H91

CONNECTOR ASSEMBLY, OIL

15

1239 828 H1

CONNECTION, OIL TRANSFER

16

1238 381 H1

PIN, ROLL

17

1238 712 H1

PLUNGER, PISTON COOLING VALVE

18

1238 713 H1

PLUG, RETAINER

19

1239 135 H1

SPRING, PISTON COOLING VALVE

20

1239 513 H1

PLUG, PIPE

21

1239 901 H1

O-RING

|$25

1239 934 H91

PLUG ASSEMBLY

22

NSS

PLUG

23

1241 503 H1

O-RING

24

1239 268 H1

BOLT

25

1239 943 H1

ELEMENT, LUBE OIL FILTER

|$30

NSS

DECAL

Выбрано товаров: 0