Запчасти Komatsu PC650-5 & PC650LC-5 КОНДИЦ. ВОЗДУХА КОНДЕНСАТОР И ТРУБЫ заводской номер A THRU A КАБИНА ОПЕРАТОРА И СИСТЕМА УПРАВЛЕНИЯ

Схема запчастей Komatsu PC650-5 & PC650LC-5 - КОНДИЦ. ВОЗДУХА КОНДЕНСАТОР И ТРУБЫ заводской номер A THRU A КАБИНА ОПЕРАТОРА И СИСТЕМА УПРАВЛЕНИЯ
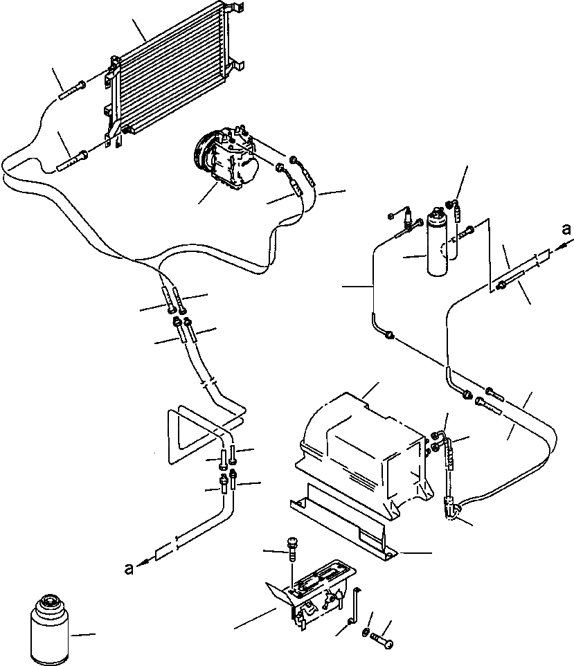
1
14
13
8
13
12
16
7
2
3
14
12
9
11
10
19
5
5
6
6
11
10
9
7
23
15
22
21
20
17
4
18
FIT
1:1
100%

Артикул

Название

Примечание

Количество

1

569-07-61120

CONDENSER ASSEMBLY, AIR CONDITIONER

2

423-T43-1410

TANK

3

209-979-6151

TUBE

4

202-981-1370

DRUM

5

09488-70413

HOSE

6

09488-70712

HOSE

7

209-979-6171

TUBE

8

09488-70405

HOSE

9

209-979-6141

TUBE

10

209-979-6181

TUBE

11

209-979-6131

TUBE

12

09488-60720

HOSE

13

09488-60630

HOSE

14

09488-50418

HOSE

15

01023-20516

SCREW

18

209-979-6242

BRACKET

20

01220-40612

SCREW

21

01643-30623

WASHER

22

209-979-6330

DUCT

Выбрано товаров: 0