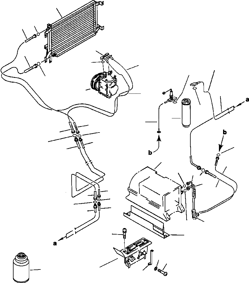
Запчасти Komatsu PC650-5 & PC650LC-5 КОНДИЦ. ВОЗДУХА КОНДЕНСАТОР И ТРУБЫ заводской номер A И UP КАБИНА ОПЕРАТОРА И СИСТЕМА УПРАВЛЕНИЯ

Схема запчастей Komatsu PC650-5 & PC650LC-5 - КОНДИЦ. ВОЗДУХА КОНДЕНСАТОР И ТРУБЫ заводской номер A И UP КАБИНА ОПЕРАТОРА И СИСТЕМА УПРАВЛЕНИЯ
1
4
24
15
14
8
14
10
4
15
16
9
13
4
2
3
24
4
13
12
8
4
11
19
6
4
6
8
7
7
12
11
4
8
10
9
23
8
25
22
21
20
17
5
18
FIT
1:1
100%

Артикул

Название

Примечание

Количество

1

209-979-6510

CONDENSER ASSEMBLY, AIR CONDITIONER

2

20Y-979-3120

TANK

3

209-979-6152

TUBE

4

20Y-979-3150

O-RING

5

202-981-1370

DRUM

6

209-979-6380

HOSE

7

209-979-6390

HOSE

8

20Y-979-3130

O-RING

9

209-979-6172

TUBE

10

209-979-6142

TUBE

11

209-979-6182

TUBE

12

209-979-6132

TUBE

13

209-979-6420

HOSE

14

209-979-6410

HOSE

15

20Y-979-3140

O-RING

18

209-979-6242

BRACKET

20

01220-40612

SCREW

21

01643-30623

WASHER

22

209-979-6330

DUCT

24

209-979-6550

HOSE

25

01023-20516

SCREW

Выбрано товаров: 21