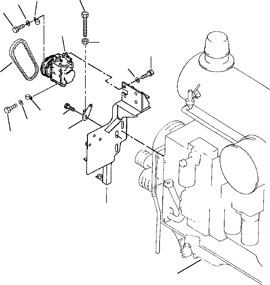
Запчасти Komatsu PC650-5 & PC650LC-5 КОНДИЦ. ВОЗДУХА КОМПРЕССОР СУППОРТ КАБИНА ОПЕРАТОРА И СИСТЕМА УПРАВЛЕНИЯ

Схема запчастей Komatsu PC650-5 & PC650LC-5 - КОНДИЦ. ВОЗДУХА КОМПРЕССОР СУППОРТ КАБИНА ОПЕРАТОРА И СИСТЕМА УПРАВЛЕНИЯ
8
4
6
5
13
9
2
3
1
4
10
6
7
5
11
12
FIT
1:1
100%

Артикул

Название

Примечание

Количество

1

04120-21765

V-BELT

2

01010-50885

BOLT

3

01643-30823

WASHER

4

08036-10814

CLIP

5

01010-50816

BOLT

6

01643-30823

WASHER

7

209-979-5521

SUPPORT

8

01017-51200

BOLT

9

01580-11210

NUT

10

01011-51020

BOLT

Выбрано товаров: 10