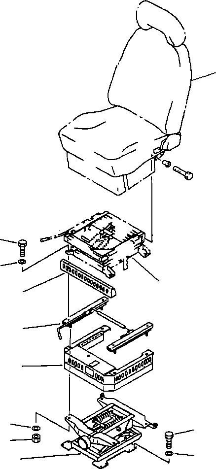
Запчасти Komatsu PC650-5 & PC650LC-5 СИДЕНЬЕ ОПЕРАТОРА ПОДВЕСКА СТОЙКА КАБИНА ОПЕРАТОРА И СИСТЕМА УПРАВЛЕНИЯ

Схема запчастей Komatsu PC650-5 & PC650LC-5 - СИДЕНЬЕ ОПЕРАТОРА ПОДВЕСКА СТОЙКА КАБИНА ОПЕРАТОРА И СИСТЕМА УПРАВЛЕНИЯ
12
1
2
11
8
3
7
5
9
4
10
6
FIT
1:1
100%

Артикул

Название

Примечание

Количество

1

01010-50816

BOLT

2

01641-20812

WASHER

3

205-57-74181

ADJUSTER ASSEMBLY

4

01580-10806

NUT

5

01641-20812

WASHER

6

205-57-74160

SUSPENSION ASSEMBLY

7

205-57-74170

COVER

8

205-57-74190

COVER

9

01010-51230

BOLT

10

01643-31232

WASHER

Выбрано товаров: 10