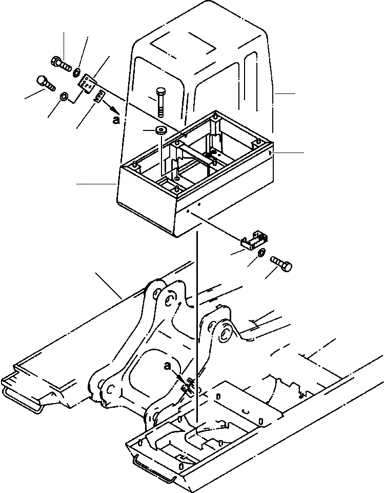
Запчасти Komatsu PC650-5 & PC650LC-5 КРЕПЛЕНИЕ КАБИНЫ ВЫС. КРЕПЛЕНИЕ КАБИНА, ПРЯМАЯ ЛОПАТА КАБИНА ОПЕРАТОРА И СИСТЕМА УПРАВЛЕНИЯ

Схема запчастей Komatsu PC650-5 & PC650LC-5 - КРЕПЛЕНИЕ КАБИНЫ ВЫС. КРЕПЛЕНИЕ КАБИНА, ПРЯМАЯ ЛОПАТА КАБИНА ОПЕРАТОРА И СИСТЕМА УПРАВЛЕНИЯ
10
11
7
13
2
9
11
3
8
12
1
4
14
6
5
FIT
1:1
100%

Артикул

Название

Примечание

Количество

1

209-54-55112

FRAME

2

01010-51600

BOLT

3

6917-21-3460

PLATE

4

209-54-63480

STEP

5

01010-51230

BOLT

6

01643-31232

WASHER

7

209-54-55120

BRACKET

8

21N-54-12450

SHIM, 1.0MM

9

01010-52060

BOLT

10

01010-52050

BOLT

11

01643-32060

WASHER

12

207-00-51190

PLATE

Выбрано товаров: 12