Запчасти Komatsu PC650-5 & PC650LC-5 КРЕПЛЕНИЕ КАБИНЫ, С F.O.P.S. ВЫС. КРЕПЛЕНИЕED КАБИНА, ПРЯМАЯ ЛОПАТА КАБИНА ОПЕРАТОРА И СИСТЕМА УПРАВЛЕНИЯ

Схема запчастей Komatsu PC650-5 & PC650LC-5 - КРЕПЛЕНИЕ КАБИНЫ, С F.O.P.S. ВЫС. КРЕПЛЕНИЕED КАБИНА, ПРЯМАЯ ЛОПАТА КАБИНА ОПЕРАТОРА И СИСТЕМА УПРАВЛЕНИЯ
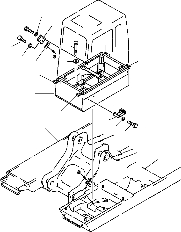
12
13
9
5
17
14
11
13
4
15
10
16
3
1
2
6
18
8
7
FIT
1:1
100%

Артикул

Название

Примечание

Количество

1

209-54-65210

FRAME

2

209-956-6210

BRACKET, FRONT,L.H. (WELDED)

3

209-956-6220

BRACKET, FRONT,R.H. (WELDED)

4

209-956-6230

BRACKET, REAR,L.H. (WELDED)

5

209-956-6240

BRACKET, REAR,R.H. (WELDED)

6

209-54-63480

STEP

7

01010-51230

BOLT

8

01643-31232

WASHER

9

209-54-55120

BRACKET

10

21N-54-12450

SHIM, 1.0MM

11

01010-52060

BOLT

12

01010-52050

BOLT

13

01643-32060

WASHER

14

01011-51600

BOLT

15

6917-21-3460

PLATE

16

207-00-51190

PLATE, MARK

Выбрано товаров: 16