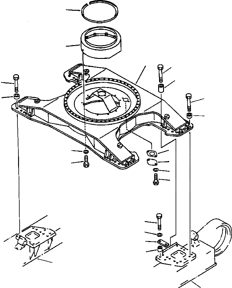
Запчасти Komatsu PC650-5 & PC650LC-5 ЦЕНТР. ГУСЕНИЧНАЯ РАМА ХОДОВАЯ (ГУСЕНИЦЫ ТИП MACHINE)

Схема запчастей Komatsu PC650-5 & PC650LC-5 - ЦЕНТР. ГУСЕНИЧНАЯ РАМА ХОДОВАЯ (ГУСЕНИЦЫ ТИП MACHINE)
5
2
1
14
16
11
11
10
10
7
4
6
3
9
8
14
15
13
12
18
17
FIT
1:1
100%

Артикул

Название

Примечание

Количество

1

209-30-61112

FRAME, CENTER TRACK

|$1

209-62-64220

SEAT

2

209-30-11362

COVER

3

01010-51230

BOLT

4

175-54-34170

WASHER

5

209-30-11341

SEAL

6

205-30-71181

COVER

7

205-30-71191

GASKET

8

01010-31225

BOLT

9

175-54-34170

WASHER

10

209-30-61120

SPACER

11

209-09-51110

BOLT

12

209-30-11320

COLLAR

13

209-30-61130

PLATE

14

209-09-61110

BOLT

15

01643-33690

WASHER

16

209-30-61140

SPACER

Выбрано товаров: 17