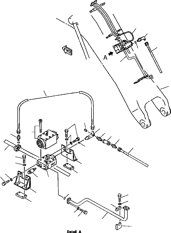
Запчасти Komatsu PC650-5 & PC650LC-5 ЦИЛИНДР РУКОЯТИТРУБЫ С ПРЕДОТВРАЩЕНИЕМ СМЕЩЕНИЯ КЛАПАН РАБОЧЕЕ ОБОРУДОВАНИЕ

Схема запчастей Komatsu PC650-5 & PC650LC-5 - ЦИЛИНДР РУКОЯТИТРУБЫ С ПРЕДОТВРАЩЕНИЕМ СМЕЩЕНИЯ КЛАПАН РАБОЧЕЕ ОБОРУДОВАНИЕ
2
23
27
24
10
28
2
21
8
20
19
3
9
1
18
17
29
22
30
8
9
7
9
8
25
4
5
11
6
15
16
14
25
13
12
10
26
FIT
1:1
100%

Артикул

Название

Примечание

Количество

1

209-62-58480

NIPPLE

2

07096-00209

HOSE

3

209-60-52210

VALVE, ARM - DRIFT PREVENTIVE

4

209-62-58570

BLOCK, L.H

5

709-90-63200

VALVE ASSEMBLY, RELIEF

6

209-62-58780

BRACKET

7

209-62-58770

BRACKET

8

01010-31435

BOLT

9

01643-31445

WASHER

10

209-62-68840

TUBE

11

07000-13035

O-RING

12

01010-31035

BOLT

13

01643-31032

WASHER

14

209-62-58750

CLAMP

15

01010-31255

BOLT

16

01643-31232

WASHER

17

176-72-15750

NIPPLE

18

205-60-71240

VALVE ASSEMBLY, CHECK

19

430-07-27120

NIPPLE

20

209-62-58880

ELBOW

21

07042-30211

PLUG

22

07002-12034

O-RING

23

20R-62-11930

ELBOW

24

07002-12034

O-RING

25

209-62-58760

SEAT (WELDED)

26

209-62-58740

CLAMP (WELDED)

Выбрано товаров: 26