Запчасти Komatsu PC650-5 & PC650LC-5 СТРЕЛА И РУКОЯТЬ СОЕДИНИТЕЛЬН. ЗВЕНО ПАЛЕЦS ПРЯМАЯ ЛОПАТА РАБОЧЕЕ ОБОРУДОВАНИЕ

Схема запчастей Komatsu PC650-5 & PC650LC-5 - СТРЕЛА И РУКОЯТЬ СОЕДИНИТЕЛЬН. ЗВЕНО ПАЛЕЦS ПРЯМАЯ ЛОПАТА РАБОЧЕЕ ОБОРУДОВАНИЕ
22
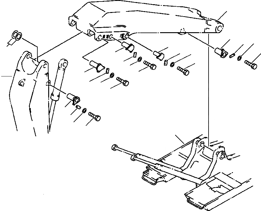
1
4
2
5
17
3
6
8
9
7
10
12
11
13
23
14
16
15
18
19
21
20
24
FIT
1:1
100%

Артикул

Название

Примечание

Количество

1

209-72-51260

PIN

2

207-70-11230

PLATE

3

01010-51640

BOLT

4

01643-31645

WASHER

5

209-72-51180

PIN

6

207-70-11230

PLATE

7

01010-51640

BOLT

8

01643-31645

WASHER

9

209-72-53180

PIN

10

207-70-11230

PLATE

11

01010-51640

BOLT

12

01643-31645

WASHER

13

209-72-51171

PIN

14

207-70-11230

PLATE

15

01010-51640

BOLT

16

01643-31645

WASHER

17

209-72-00010

SHIM ASSEMBLY

|$17

209-72-11180

SHIM, 1.0MM

|$18

209-72-11190

SHIM, 1.5MM

18

209-72-51260

PIN

19

207-70-11230

PLATE

20

01010-51640

BOLT

21

01643-31645

WASHER

Выбрано товаров: 23