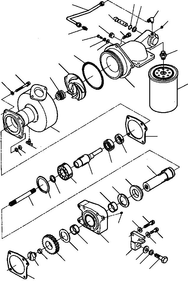
Запчасти Komatsu PC650-5 & PC650LC-5 ВОДЯНАЯ ПОМПА ДВИГАТЕЛЬ

Схема запчастей Komatsu PC650-5 & PC650LC-5 - ВОДЯНАЯ ПОМПА ДВИГАТЕЛЬ
15
6
11
13
14
8
9
16
12
3
4
7
5
1
28
36
26
35
48
10
25
38
19
31
24
33
44
20
46
27
45
21
43
22
37
18
2
42
17
2
41
43
45
29
39
34
40
32
47
30
38
23
FIT
1:1
100%

Артикул

Название

Примечание

Количество

|$0

1241 325 H91

PUMP ASSEMBLY, WATER

1

1238 331 H1

O-RING

2

1239 109 H1

WASHER, PLAIN

|$3

1239 205 H91

CONNECTION ASSEMBLY, WATER INLET

3

1238 011 H1

BOLT - 1/4-20 X 3/4

4

1238 098 H1

WASHER, LOCK

5

1238 113 H1

WASHER, PLAIN

6

1238 715 H1

WASHER, SPRING

7

1238 773 H1

ADAPTER, FILTER HEAD

8

1239 158 H1

PLUG, PIPE

9

1239 160 H1

PLUG, PIPE

10

1239 198 H1

CONNECTION, WATER INLET

11

1239 220 H91

TUBE, WATER TRANSFER

12

1241 366 H1

CONNECTOR, MALE

13

1241 367 H1

ELBOW, MALE ADAPTER

14

1239 206 H1

SHAFT, SHUTOFF VALVE

15

1240 894 H1

O-RING

16

140 483 H1

BOLT, W/WASHER - 3/8 -16 X 1 1/4

17

1239 267 H1

BOLT, W/WASHER - 3/8-16 X 1 1/2

18

1239 269 H1

BOLT, W/WASHER - 3/8-16 X 2

|$20

1239 487 H91

PUMP, WATER

19

1238 131 H1

DRAINCOCK

20

1238 047 H1

BEARING, BALL

21

1238 051 H1

BEARING, BALL

22

1240 046 H1

RING, RETAINING

23

1238 702 H1

RING, RETAINING

24

1238 772 H1

SEAL,OIL

25

1238 774 H1

BODY, WATER PUMP

26

1239 655 H2

SEAL, WATER PUMP

27

1239 775 H91

SHAFT, WATER PUMP

28

1241 350 H1

IMPELLER, WATER PUMP

29

1239 695 H1

BRACE, WATER PUMP

30

1237 988 H1

BOLT - 5/8-11 X 2

31

103 026

NUT, HEX

32

1238 100 H1

WASHER, LOCK

33

120 382

WASHER, LOCK

34

1238 115 H1

WASHER, PLAIN

35

1238 237 H1

WASHER, PLAIN

36

1239 271 H1

BOLT, W/WASHER - 3/8-16 X 3

37

1239 758 H1

SHAFT, WATER PUMP

38

1251 211 H1

GASKET, WATER PUMP

|$41

1239 520 H91

SHAFT ASSEMBLY, WATER PUMP

39

1238 729 H1

PLUG, OIL

40

1294 672 H1

GEAR, WATER PUMP

|$44

1239 140 H91

SUPPORT ASSEMBLY, WATER PUMP

41

NSS

SUPPORT, WATER PUMP

42

1238 132 H1

PLUG, PIPE

43

1238 681 H1

BUSHING

44

1250 688 H91

SHAFT, WATER PUMP

45

1239 532 H1

BEARING, THRUST

46

1239 678 H1

RETAINER, SHAFT

47

1239 891 H1

PLUG

48

1241 381 H1

ELEMENT, CORROSION RESISTOR

48

1295 263 H1

ELEMENT, CORROSION RESISTOR

Выбрано товаров: 0