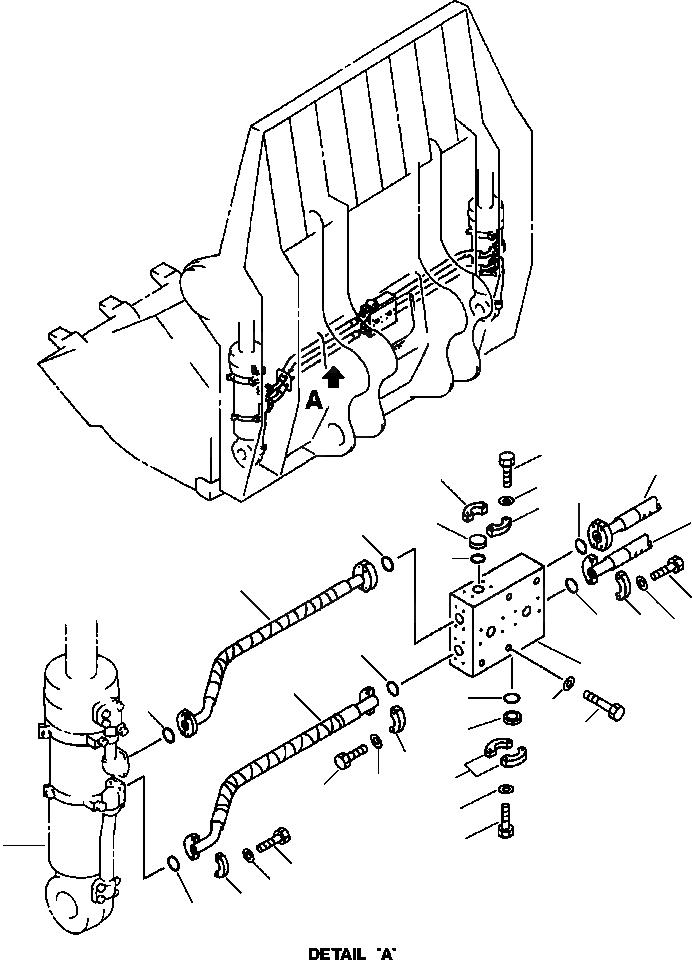
Запчасти Komatsu PC650-5 & PC650LC-5 НИЖН. ГИДРОЦИЛИНДР КОВША ТРУБЫ ПРЯМАЯ ЛОПАТА РАБОЧЕЕ ОБОРУДОВАНИЕ

Схема запчастей Komatsu PC650-5 & PC650LC-5 - НИЖН. ГИДРОЦИЛИНДР КОВША ТРУБЫ ПРЯМАЯ ЛОПАТА РАБОЧЕЕ ОБОРУДОВАНИЕ
8
12
7
9
16
7
12
11
16
10
12
5
4
16
6
16
1
12
10
16
3
2
11
4
7
6
5
9
8
17
14
15
13
16
FIT
1:1
100%

Артикул

Название

Примечание

Количество

1

209-62-53610

BLOCK

2

01010-51290

BOLT

3

01643-31232

WASHER

4

07371-31049

FLANGE

5

07372-21035

BOLT

6

01643-51032

WASHER

7

07371-31049

FLANGE

8

07372-21035

BOLT

9

01643-51032

WASHER

10

07000-13032

O-RING

11

07378-11000

HEAD

12

209-62-53760

HOSE

13

07371-31049

FLANGE

14

07372-21035

BOLT

15

01643-51032

WASHER

16

07000-13032

O-RING

Выбрано товаров: 16