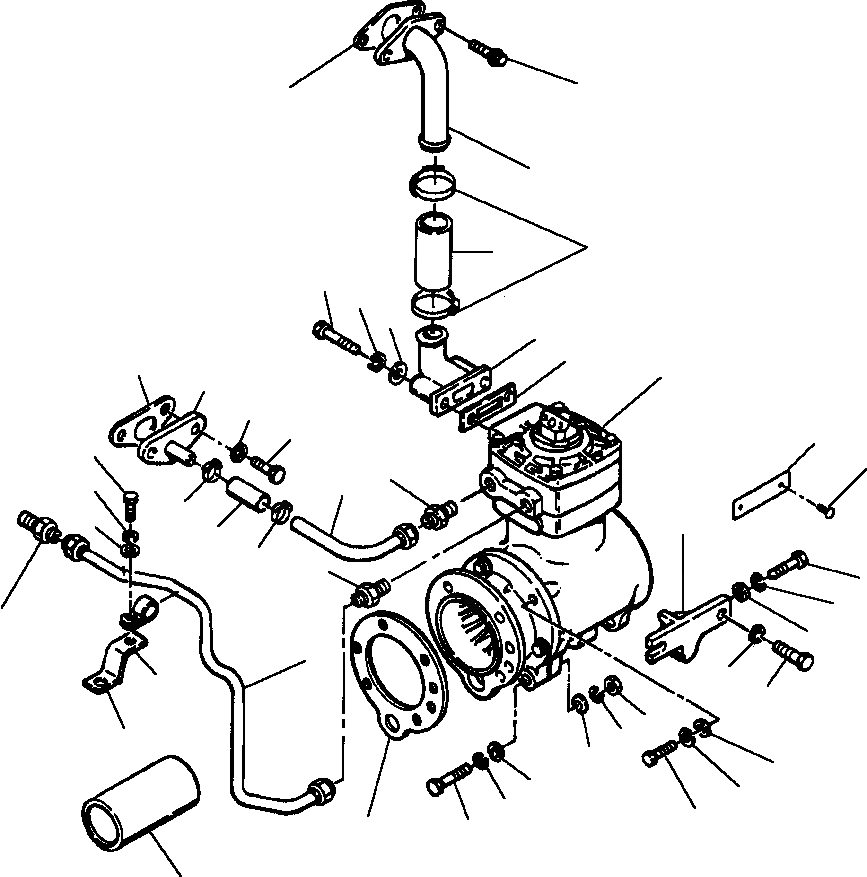
Запчасти Komatsu PC650-5 & PC650LC-5 ЛИНИЯ КОМПРЕССОРА ДВИГАТЕЛЬ

Схема запчастей Komatsu PC650-5 & PC650LC-5 - ЛИНИЯ КОМПРЕССОРА ДВИГАТЕЛЬ
27
30
28
24
26
21
22
23
25
29
39
7
6
2
1
38
32
37
3
33
8
4
34
18
5
4
3
15
10
20
13
31
10
35
15
9
36
11
12
12
11
11
12
17
19
16
14
FIT
1:1
100%

Артикул

Название

Примечание

Количество

1

1238 008 H1

BOLT

2

1238 103 H1

WASHER, LOCK

3

1237 975 H1

CONNECTOR, MALE

4

122 316 R91

CLAMP, HOSE

5

1238 770 H2

HOSE, PLAIN

6

1238 783 H91

CONNECTION, WATER INLET

7

1238 784 H1

GASKET, AIR COMPRESSOR

8

1239 855 H91

TUBE, COMPRESSOR WATER INLET

9

1238 079 H1

NUT, HEAVY HEX

10

120 382

WASHER, LOCK

11

1238 108 H1

WASHER, LOCK

12

1240 031 H1

WASHER, PLAIN

13

25 544 R1

WASHER, PLAIN

14

1238 548 H1

SLEEVE, SPLINE COUPLING

15

1238 714 H1

BOLT, TWELVE POINT

16

1238 760 H1

BOLT, TWELVE POINT

17

1294 518 H1

BOLT, TWELVE POINT

18

1239 489 H1

BRACE, AIR COMPRESSOR

19

1239 932 H1

GASKET, AIR COMPRESSOR

20

1237 975 H1

CONNECTOR, MALE

21

1238 032 H1

BOLT

22

1238 101 H1

WASHER, LOCK

23

1238 112 H1

WASHER, PLAIN

24

1239 969 H1

CLAMP, HOSE

25

1238 399 H1

CONNECTION, AIR COMPRESSOR

26

1238 930 H1

HOSE, PLAIN

27

140 483 H

BOLT W/WASHER

28

1239 261 H1

CONNECTION, AIR COMPRESSOR INLET

29

1239 916 H1

GASKET, CONNECTION

30

1239 917 H1

GASKET, FLANGE

31

1239 879 H91

TUBE, WATER OUTLET

32

1238 011 H1

BOLT

33

1238 098 H1

WASHER, LOCK

34

1238 113 H1

WASHER, PLAIN

35

1240 011 H1

CLIP

36

1258 638 H1

BRACE, TUBE

37

1246 109 H1

SCREW, DRIVE

38

NSS

PLATE, NAME

39

1294 722 H91

COMPRESSOR, AIR

Выбрано товаров: 0