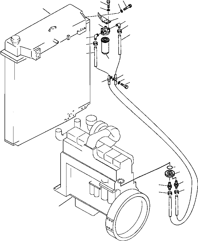
Запчасти Komatsu PC650-5 & PC650LC-5 ВОДН. ФИЛЬТР. - АНТИКОРРОЗ. ЭЛЕМЕНТ СО СЪЕМОМ ПРОТИВОВЕСА КОМПОНЕНТЫ ДВИГАТЕЛЯ

Схема запчастей Komatsu PC650-5 & PC650LC-5 - ВОДН. ФИЛЬТР. - АНТИКОРРОЗ. ЭЛЕМЕНТ СО СЪЕМОМ ПРОТИВОВЕСА КОМПОНЕНТЫ ДВИГАТЕЛЯ
2
7
3
19
8
1
6
5
10
9
6
12
11
4
16
18
17
16
15
14
13
13
12
10
20
FIT
1:1
100%

Артикул

Название

Примечание

Количество

1

209-01-52160

BRACKET

2

01010-31225

BOLT

3

01643-31232

WASHER

5

1238636H1

HEAD, FILTER

6

6127-61-8230

CONNECTOR, ELBOW

7

02010-70625

BOLT

8

01643-31032

WASHER

9

07261-20927

HOSE

10

07281-00197

CLAMP

11

07261-20929

HOSE

12

07281-00197

CLAMP

13

6710-61-8610

CONNECTOR

14

6721-61-6210

ADAPTER

15

07000-02065

O-RING

16

6631-61-8550

CLAMP

17

01010-51220

BOLT

18

01643-31232

WASHER

Выбрано товаров: 17